The Journal of
the Korean Journal of Metals and Materials

The Journal of
the Korean Journal of Metals and Materials

Monthly
  • pISSN : 1738-8228
  • eISSN : 2288-8241

Editorial Office


  1. ์ „๋ถ๋Œ€ํ•™๊ต ์œ ์—ฐ์ธ์‡„์ „์ž๊ณตํ•™๊ณผ (Graduate School of Flexible and Printable Electronics, Jeonbuk National University, Jeonbuk 54896, Republic of Korea)
  2. ์ „๋ถ๋Œ€ํ•™๊ต ๋กœ์Šค์•Œ๋ผ๋ชจ์Šค์—ฐ๊ตฌ์†Œ-์ „๋ถ๋Œ€ํ•™๊ต ํ•œ๊ตญ๊ณตํ•™์—ฐ๊ตฌ์†Œ (LANL-CBNU Engineering Institute Korea, Jeonbuk National University, Jeonbuk 54896, Republic of Korea)
  3. ์ „๋ถ๋Œ€ํ•™๊ต ๊ธˆ์†๊ณตํ•™๊ณผ (Metallurgy Engineering, Jeonbuk National University, Jeonbuk 54896, Republic of Korea)
  4. ์ „๋ถ๋Œ€ํ•™๊ต ์‹ ์†Œ์žฌ๊ณตํ•™๋ถ€ (Division of Advanced Materials Engineering, Research Center for Advanced Materials Development, Jeonbuk National University, Jeonbuk 54896, Republic of Korea)



mechanical properties, copper foil, organic additive, surface roughness, electroplating

1. ์„œ ๋ก 

4์ฐจ ์‚ฐ์—…ํ˜๋ช…์˜ ๋‹ค์–‘ํ•œ ์‚ฐ์—…๋ฐœ์ „๋ถ„์•ผ ์ค‘ ํ•˜์ด๋ธŒ๋ฆฌ๋“œ ์ „๊ธฐ์ž๋™์ฐจ(HEV), ์นœํ™˜๊ฒฝ ์—๋„ˆ์ง€์‚ฐ์—…, IT, ์ง€๋Šฅํ˜• ๋กœ๋ด‡์‚ฐ์—… ๋“ฑ์˜ ๋ฐœ์ „์— ๋”ฐ๋ผ ์ด๋“ค์˜ ํ•ต์‹ฌ ๋ถ€ํ’ˆ์ธ ์ด์ฐจ์ „์ง€ ์Œ๊ทน ์†Œ์žฌ์˜ ์„ฑ๋Šฅ ํ–ฅ์ƒ์ด ์ ˆ์‹คํžˆ ์š”๊ตฌ๋˜๊ณ  ์žˆ๋‹ค [1]. ์ด์ฐจ์ „์ง€์˜ ์Œ๊ทน์žฌ๋ฃŒ๋กœ ์‚ฌ์šฉ๋˜๋Š” ๋™๋ฐ•์€ electromigration(EM)์— ๋Œ€ํ•œ ์šฐ์ˆ˜ํ•œ ์ €ํ•ญ์„ฑ ๋ฐ ์—ด ์ „๋„์„ฑ, ๊ธฐ๊ณ„์  ๋ฌผ์„ฑ์˜ ์šฐ์ˆ˜์„ฑ, ๋‚ฎ์€ ์ „๊ธฐ ์ €ํ•ญ(1.67 ฮผฮฉ-cm) ๋“ฑ์˜ ์žฅ์ ์œผ๋กœ ์ธํ•˜์—ฌ ์‚ฌ์šฉ์ด ํ™•๋Œ€๋˜๊ณ  ์žˆ๋‹ค. ํŠนํžˆ ์ „ํ•ด๋™๋ฐ•์€ ์••์—ฐ๋ฐ• ๋Œ€๋น„ ์‚ฌ์šฉ์ฒ˜์— ๋งž๊ฒŒ ๋‘๊ป˜ ๋ฐ ๊ธธ์ด ์กฐ์ ˆ์ด ์šฉ์ดํ•˜๋ฉฐ ์ƒ์‚ฐํ•  ์ˆ˜ ์žˆ๋Š” ํญ์ด ๋„“์–ด ์ƒ๋Œ€์ ์œผ๋กœ ์ƒ์‚ฐ๋น„์šฉ์ด ์ ๊ฒŒ ๋“ค์–ด ๋™๋ฐ• ์ƒ์‚ฐ ๋ฐฉ์‹์œผ๋กœ ์ ํ•ฉํ•˜๋‹ค [2-6].

์ „ํ•ด๋„๊ธˆ๋ฒ•์— ์ฃผ๋กœ ์ด์šฉ๋˜๋Š” ๋„๊ธˆ์š• ์ค‘ ํ™ฉ์‚ฐ-ํ™ฉ์‚ฐ๊ตฌ๋ฆฌ ์ „ํ•ด์•ก์€ ๋‚ฎ์€ ๋…์„ฑ, ๋น„๊ต์  ๋น ๋ฅธ ๋„๊ธˆ์†๋„, ๋‚ฎ์€ ์ƒ์‚ฐ๋น„์šฉ, ๊ทธ๋ฆฌ๊ณ  ๋„๊ธˆ ํ›„ ๋ฐ•๋ง‰์˜ ์œ ์—ฐ์„ฑ ๋ฐ ๊ฐ•๋„ ๊ท ์ผ์„ฑ ๋“ฑ์˜ ์žฅ์ ์„ ๊ฐ€์ง€๊ณ  ์žˆ์–ด ๋™๋ฐ• ์ƒ์‚ฐ ๋„๊ธˆ์š•์œผ๋กœ ๋„๋ฆฌ ์‚ฌ์šฉ๋˜๊ณ  ์žˆ๋‹ค [7-9]. ์ผ๋ฐ˜์ ์œผ๋กœ ์ „ํ•ด๋™๋ฐ•์˜ ์ œ์กฐ๊ณต์ •์—์„œ ์Œ๊ทน์žฌ๋ฃŒ๋กœ๋Š” ํƒ€์ดํƒ€๋Š„ ๋“œ๋Ÿผ(Ti drum)์„ ์ด์šฉํ•œ๋‹ค. ํƒ€์ดํƒ€๋Š„์€ ๋„๊ธˆ ํ›„ ๋ฐ•๋ฆฌ์ œ ์—†์ด ๋ฐ•๋ง‰์„ ์‰ฝ๊ฒŒ ๋–ผ์–ด ๋‚ผ ์ˆ˜ ์žˆ๊ณ  ํ™ฉ์‚ฐ-ํ™ฉ์‚ฐ๊ตฌ๋ฆฌ ์ „ํ•ด์•ก ๋‚ด์—์„œ ๋ถ€์‹์— ๋Œ€ํ•œ ์ €ํ•ญ์„ฑ์ด ํฌ๊ธฐ์— ์‚ฌ์šฉ ํ›„์— ๋งŽ์€ ์ฒ˜๋ฆฌ๋ฅผ ํ•˜์ง€ ์•Š๊ณ  ์žฌ์‚ฌ์šฉํ•  ์ˆ˜ ์žˆ๋‹ค๋Š” ์žฅ์ ๋“ค์„ ๊ฐ€์ง€๊ณ  ์žˆ๊ธฐ ๋•Œ๋ฌธ์— ๋„๊ธˆ๊ณต์ •์—์„œ ๋„๋ฆฌ ์‚ฌ์šฉ๋˜๊ณ  ์žˆ๋‹ค [10]. ์ „ํ•ด๋„๊ธˆ๋ฒ•์„ ์ด์šฉํ•˜์—ฌ ๋™๋ฐ• ์ œ์กฐ ์‹œ ํ‘œ๋ฉด ํ˜•์ƒ๊ณผ ๊ตฌ์กฐ ๋ฐ ์ „๊ธฐ์  ํŠน์„ฑ์— ๋ฏธ์น˜๋Š” ์ธ์ž๋กœ๋Š” ์ „ํ•ด์•ก ์ˆœ๋„, ์ „๊ทน ๊ฐ„๊ฒฉ, ์œ ์†, ๋„๊ธˆ์•ก์˜ ์˜จ๋„, ์Œ๊ทน ์ „์••, ๊ต๋ฐ˜์กฐ๊ฑด, ์ „๋ฅ˜ํŒŒํ˜•, ์ „๋ฅ˜๋ฐ€๋„ ๋“ฑ์˜ ๋‹ค์–‘ํ•œ ๊ณต์ •๋ณ€์ˆ˜๊ฐ€ ์žˆ์œผ๋ฉฐ, ์‚ฌ์šฉํ•˜๋Š” ์†Œ์žฌ์˜ ์กฐ๊ฑด์— ๋”ฐ๋ผ ์œ ๊ธฐ์ฒจ๊ฐ€์ œ๋ฅผ ์ฒจ๊ฐ€๋ฅผ ํ†ตํ•ด ๋™๋ฐ•์˜ ํŠน์„ฑ์„ ์ œ์–ดํ•˜๋Š” ๊ฒƒ์ด ๊ฐ€๋Šฅํ•˜๋‹ค [6,11-15]. ๋˜ํ•œ ์ƒ์‚ฐ๋Ÿ‰ ์ฆ๊ฐ€๋ฅผ ์œ„ํ•˜์—ฌ ๊ณ ์ „๋ฅ˜๋ฐ€๋„์— ์ ์šฉ ๊ฐ€๋Šฅํ•œ ์ฒจ๊ฐ€์ œ ๊ฐœ๋ฐœ์ด ๋งค์šฐ ์ค‘์š”ํ•ด์ง€๊ณ  ์žˆ๋‹ค. ์ „ํ•ด์•ก์— ์ฒจ๊ฐ€๋œ ppm๋‹จ์œ„์˜ ์ ์€์–‘์˜ ์œ ๊ธฐ ์ฒจ๊ฐ€์ œ(๋ถ„์ž)๋Š” ๋†’์€ ํœ˜๋„๋ฅผ ๊ฐ–๋Š” ๊ท ์ผํ•œ ์ „์ฐฉ์ธต ํ˜•์„ฑ์„ ์ด‰์ง„์‹œํ‚ค๊ณ , ์ „ํ•ด๋™๋ฐ• ๊ตฌ์กฐ ๋ฐ ๊ธฐ๊ณ„์  ํŠน์„ฑ์— ์˜ํ–ฅ์„ ๋ฏธ์นœ๋‹ค [16]. ๊ทธ๋Ÿฌ๋‚˜ ๋†’์€ ์ „๋ฅ˜๋ฐ€๋„์˜ ์—ฐ์† ์ „ํ•ด๋„๊ธˆ ๊ณต์ •์—์„œ ์ฒจ๊ฐ€์ œ์— ์˜ํ•œ ๊ตฌ๋ฆฌ์˜ ํ•ต์ƒ์„ฑ ๋ฐ ๊ฒฐ์ •์„ฑ์žฅ์ด ์–ด๋–ป๊ฒŒ ์ด๋ฃจ์–ด์ง€๋Š”์ง€์— ๋Œ€ํ•œ ๋ฉ”์ปค๋‹ˆ์ฆ˜์€ ์•„์ง ๊ทœ๋ช…๋˜์ง€ ์•Š์€ ๋ถ€๋ถ„์ด ๋งŽ๋‹ค.

์ „ํ•ด๋™๋ฐ• ์ œ์กฐ์กฐ๊ฑด์—์„œ ๊ตฌ๋ฆฌ์˜ ํ•ต์ƒ์„ฑ๊ณผ ๊ฒฐ์ •์„ฑ์žฅ์— ๋Œ€ํ•œ ์ˆ˜ํ–‰๋œ ์—ฐ๊ตฌ์— ๋Œ€ํ•˜์—ฌ ์‚ดํŽด๋ณด๋ฉด, Dutra ๋ฐ Lee๋“ฑ [17, 18]์€ ์ ค๋ผํ‹ด๊ณผ ์—ผ์†Œ์ด์˜จ์„ ์ฒจ๊ฐ€ํ•˜์—ฌ๋„ ๊ตฌ๋ฆฌ์˜ ํ•ต์ƒ์„ฑ ๊ธฐ๊ตฌ์— ๋ฏธ์น˜๋Š” ํšจ๊ณผ๋Š” ๋ฏธ๋น„ํ•˜์ง€๋งŒ ์ฒจ๊ฐ€์ œ์™€ ๊ต๋ฐ˜์— ์˜ํ•ด์„œ ๊ตฌ๋ฆฌ๊ฒฐ์ •์˜ ๋ฏธ์„ธ๊ตฌ์กฐ์™€ ๊ธฐ๊ณ„์  ์„ฑ์งˆ, ํ‘œ๋ฉด๋ฐ€๋„ ๊ทธ๋ฆฌ๊ณ  ๊ฒฐ์ •์„ฑ์žฅ ๋ฐฉ์œ„ ๋“ฑ์€ ๋ณ€ํ•œ๋‹ค๊ณ  ๋ณด๊ณ ํ•˜์˜€๋‹ค. ๊ทธ๋Ÿฌ๋‚˜ Stantke [19]์˜ ์‹คํ—˜๊ฒฐ๊ณผ ์ ค๋ผํ‹ด์€ ์ „ํ•ด์•ก ๋‚ด์—์„œ ์ดˆ๊ธฐ์—๋Š” ์–ต์ œ์ œ ์—ญํ• ์„ ํ•˜์ง€๋งŒ 10~50๋ถ„์ด ๊ฒฝ๊ณผํ•œ ์ดํ›„์—๋Š” ์ด๋Ÿฌํ•œ ๋ถ„๊ทนํšจ๊ณผ๊ฐ€ ์ƒ๋‹นํžˆ ๊ฐ์†Œํ•œ๋‹ค๊ณ  ํ•˜์˜€๋‹ค. Kim ๋“ฑ [4,20]์€ ์ ค๋ผํ‹ด๊ณผ ์‹ธ์ด์˜ค์š”์†Œ(thiourea)๋Š” ๊ตฌ๋ฆฌ ๋ฐ•๋ง‰์˜ ํ‘œ๋ฉด์กฐ๋„ ๋ฐ ๊ฑฐ์น ๊ธฐ๋ฅผ ๊ฐœ์„ ํ•˜๊ธฐ ์œ„ํ•ด ๋ชฉ์  ๋ฐ ๊ตฌ๋ฆฌ๋ฐ•๋ง‰์˜ ๋ถ€์‹๋ฐฉ์ง€๋ฅผ ์œ„ํ•œ ์ฒจ๊ฐ€์ œ๋กœ ์‚ฌ์šฉํ•œ๋‹คํ•˜์˜€๋‹ค. Park ๋“ฑ [21,22]์€ JGB(Janes Green B)๋Š” Cl- ๊ณผ NH4+๋กœ ์ด๋ฃจ์–ด์ ธ ์žˆ์œผ๋ฉฐ, ๊ตฌ๋ฆฌ ์ „์ฐฉ๋ฌผ๊ณผ NH4+ ์ด์˜จ์€ ๋Œ์ถœ๋ถ€์— ์šฐ์„ ์ ์œผ๋กœ ํก์ฐฉํ•˜์—ฌ ๋Œ์ถœ๋ถ€์—์„œ์˜ ๊ตฌ๋ฆฌ์ด์˜จ์˜ ์ „์ฐฉ์„ ์–ต์ œํ•˜๋Š” ๋™์‹œ์—, ํ•จ๋ชฐ๋ถ€์—์„œ์˜ ๊ตฌ๋ฆฌ์ด์˜จ์˜ ์ „์ฐฉ์„ ์œ ๋„ํ•˜์—ฌ ํ‰ํƒ„ํ•œ ๊ตฌ๋ฆฌ ๋„๊ธˆ์ธต์„ ๋งŒ๋“ ๋‹ค. ๊ทธ๋Ÿฌ๋ฏ€๋กœ ์ ์ ˆํ•œ JGB ์ฒจ๊ฐ€์ œ์˜ ์ฒจ๊ฐ€๋Š” ๊ตฌ๋ฆฌ ์ „์ฐฉ์ธต ํ‘œ๋ฉด์„ ํ‰ํƒ„ํ•˜๊ฒŒ ๋งŒ๋“ค ์ˆ˜ ์žˆ๋‹คํ•˜์˜€๋‹ค. Cl- ์€ ๊ตฌ๋ฆฌ ์ „์ฐฉ์ธต ํ‘œ๋ฉด์— ํก์ฐฉํ•˜์—ฌ ๊ตฌ๋ฆฌ ์ด์˜จ๊ณผ ์ „์ฐฉ์ธต ํ‘œ๋ฉด์˜ ๊ฑฐ๋ฆฌ๋ฅผ ์ค„์—ฌ์ฃผ๋Š” ๊ฐ€๊ต ์—ญํ• ์„ ํ•˜๋ฉฐ Cl- ์˜ ํก์ฐฉ์ธต์€ ๊ตฌ๋ฆฌ ํ™˜์›์ค‘ ์†๋„๊ฒฐ์ •๋‹จ๊ณ„์ธ Cu2+ โ†’ Cu+ ๋ฐ˜์‘์˜ ์ „ํ•˜์ „๋‹ฌ ์†๋„๋ฅผ ์ด‰์ง„ํ•˜์—ฌ ๊ตฌ๋ฆฌ ํ™˜์› ์†๋„๋ฅผ ๊ฐ€์†ํ•œ๋‹ค [23,24]. ๋˜ํ•œ ์œ ๊ธฐ ์ฒจ๊ฐ€์ œ๋ฅผ ์—ผํ™”์ด์˜จ๊ณผ ํ•จ๊ป˜ ์ฒจ๊ฐ€ํ•  ๊ฒฝ์šฐ, ์—ผํ™” ์ด์˜จ์˜ ํก์ฐฉ์ธต์€ ์‹ธ์ด์˜ค์š”์†Œ, PEG, SPS ๋“ฑ์˜ ๋‹ค์–‘ํ•œ ์ฒจ๊ฐ€์ œ์™€ ๋ณตํ•ฉ์ฒด๋ฅผ ํ˜•์„ฑํ•˜์—ฌ ์ฒจ๊ฐ€์ œ์˜ ํก์ฐฉ์„ ๋•๋Š”๋‹คํ•˜์˜€๋‹ค [25-26]. ์œ ๊ธฐ์ฒจ๊ฐ€์ œ๋Š” ์ด๋ฏธ ๋„๊ธˆ์˜ ์‚ฐ์—…ํ™”์™€ ๋”๋ถˆ์–ด ํ‘œ๋ฉด ๋‹จ์ฐจ์™€ ํ‘œ๋ฉด ๋„ˆ์šธ์„ ๊ฐ์†Œ์‹œ์ผœ ํ‰ํƒ„ํ•œ ๋„๊ธˆ์ธต์„ ํ˜•์„ฑํ•˜๋„๋ก ๋„์™€์ฃผ๋Š” ํ‰ํƒ„์ œ(leveler), ์ „์ฐฉ ์†๋„๋ฅผ ์–ต์ œํ•˜๋Š” ์–ต์ œ์ œ(inhibiter, suppressor, carrier), ๊ตฌ๋ฆฌ ์ „์ฐฉ ์†๋„๋ฅผ ์ฆ๊ฐ€์‹œํ‚ค๋Š” ๊ฐ€์†์ œ(accelerator, brightener) ๋“ฑ์œผ๋กœ ์‚ฌ์šฉ๋˜์–ด ์™”์œผ๋‚˜, ๋Œ€๋ถ€๋ถ„ ํ˜„์ƒ์  ๊ฒฐ๊ณผ๋ฅผ ๋ฐ”ํƒ•์œผ๋กœ ๊ฒฝํ—˜์ ์œผ๋กœ ์ ์šฉ๋˜์—ˆ์œผ๋ฉฐ ๋„๊ธˆ์•ก ๋‚ด์—์„œ ์œ ๋™์— ์˜ํ•œ ์ฒจ๊ฐ€์ œ์˜ ํก์ฐฉ ๋ฐ ์ „๊ธฐํ™”ํ•™์  ํŠน์„ฑ์— ๋Œ€ํ•œ ๊ณ ์ฐฐ์€ ์ƒ๋‹นํžˆ ์ œํ•œ์ ์ด๋‹ค. ๋˜ํ•œ ๋Œ€๋ถ€๋ถ„์˜ ์—ฐ๊ตฌ๋“ค์€ ์‹ค์ œ ์กฐ์—…์กฐ๊ฑด๊ณผ๋Š” ์ฐจ์ด๊ฐ€ ์žˆ๋Š” 10 ASD ์ดํ•˜์˜ ๋‚ฎ์€ ์ ˆ๋ฅ˜๋ฐ€๋„์—์„œ ์ˆ˜ํ–‰๋˜์—ˆ์„ ๋ฟ๋งŒ ์•„๋‹ˆ๋ผ, ์–ต์ œ์ œ์™€ ํ‰ํƒ„์ œ์™€์˜ ์กฐ์„ฑ๋น„์— ๋Œ€ํ•œ ์ƒ๊ด€๊ด€๊ณ„ ๋˜ํ•œ ๊ทœ๋ช…๋˜์ง€ ์•Š์•˜๋‹ค. ์ด์— ๋ณธ ์—ฐ๊ตฌ์—์„œ๋Š” ๋†’์€ ์ „๋ฅ˜๋ฐ€๋„์—์„œ ์ฝœ๋ผ๊ฒ๊ณผ JGB ์ฒจ๊ฐ€๋Ÿ‰์— ๋”ฐ๋ฅธ ์ดˆ๊ธฐ ๋ถ„๊ทนํ˜„์ƒ๊ณผ ์ด๋Ÿฌํ•œ ๋ถ„๊ทนํ˜„์ƒ์œผ๋กœ ์ธํ•œ ์ „์ฐฉ์ธต์˜ ํ‘œ๋ฉด ํŠน์„ฑ ๋ฐ ๊ธฐ๊ณ„์  ์„ฑ์งˆ์„ ํŒŒ์•…ํ•˜์˜€๋‹ค.

2. ์‹คํ—˜ ๋ฐฉ๋ฒ•

์ „ํ•ด๋™๋ฐ• ์ œ์กฐ๋ฅผ ์œ„ํ•˜์—ฌ ํ™ฉ์‚ฐ-ํ™ฉ์‚ฐ๊ตฌ๋ฆฌ ๋„๊ธˆ์š•์„ ์‚ฌ์šฉํ•˜์˜€์œผ๋ฉฐ, ๋‹ค์–‘ํ•œ ์ฒจ๊ฐ€์ œ ์ค‘ ๊ฐ€์†์ œ๋กœ๋Š” MPSA(3-mercapto-1-propane sulfonic acid)์„ ํ‰ํƒ„์ œ๋Š” JGB๋ฅผ ๊ทธ๋ฆฌ๊ณ  ์–ต์ œ์ œ๋Š” ์ฝœ๋ผ๊ฒ(MW: 16,000~20,000)์„ ์‚ฌ์šฉํ•˜์˜€๋‹ค(ํ‘œ 1). ๊ฐœ๋ณ„์ฒจ๊ฐ€์ œ์— ๋Œ€ํ•œ ์ฒจ๊ฐ€๋Ÿ‰ ํ…Œ์ŠคํŠธ๋ฅผ ์ง„ํ–‰ํ•œ ์ดํ›„ ์ฒจ๊ฐ€์ œ๋ฅผ ํ˜ผํ•ฉํ•˜์—ฌ ํ…Œ์ŠคํŠธ๋ฅผ ์ง„ํ–‰ํ•˜์˜€๋‹ค. ์–‘๊ทน์œผ๋กœ๋Š” ๋ถˆ์šฉ์„ฑ ์–‘๊ทน(IrO2/Ti)์„ ์‚ฌ์šฉํ•˜์˜€์œผ๋ฉฐ, ์Œ๊ทน์œผ๋กœ๋Š” ํƒ€์ดํƒ€๋Š„ํŒ(99.9%)์„ #600 ~ #1500๊นŒ์ง€ ์ˆœ์ฐจ์ ์œผ๋กœ ์—ฐ๋งˆํ•˜์—ฌ ์‚ฌ์šฉํ•˜์˜€๋‹ค. ๊ฐœ๋ณ„์ฒจ๊ฐ€์ œ์˜ ์ฒจ๊ฐ€๋Ÿ‰์— ๋”ฐ๋ฅธ ๋ถ„๊ทน์ „์•• ์ธก์ •์„ ์œ„ํ•˜์—ฌ 1 cm2 ํฌ๊ธฐ์˜ ์›ํ˜•์ด ๋…ธ์ถœ๋˜๋„๋ก ์Œ๊ทน์„ ์ œ์กฐํ•˜์˜€์œผ๋ฉฐ, ๋ณตํ•ฉ์ ์ธ ์ฒจ๊ฐ€์ œ ์˜ํ–ฅ ํ‰๊ฐ€๋ฅผ ์œ„ํ•˜์—ฌ 50 mm ร— 150 mm ํฌ๊ธฐ์˜ ๊ธฐํŒ์„ ์‚ฌ์šฉํ•˜์˜€๋‹ค. ์Œ๊ทน๊ณผ ์–‘๊ทน์˜ ๊ทน๊ฐ„๊ฑฐ๋ฆฌ๋Š” 10 cm๋กœ ์ผ์ •ํ•˜๊ฒŒ ์œ ์ง€ํ•˜์˜€๊ณ  ๋„๊ธˆ์ด ์ง„ํ–‰๋˜๋Š” ๋™์•ˆ ๋„๊ธˆ์•ก ์˜จ๋„๋Š” 50 ยฐC(ยฑ0.5 ยฐC)๋กœ ์œ ์ง€ํ•˜์˜€๋‹ค. ์ „๋ฅ˜์ธ๊ฐ€๋Š” ์ •์ „๋ฅ˜ ๋ชจ๋“œ ๋ฐฉ์‹์œผ๋กœ 20 ASD(A/dm2)๋กœ ์ง„ํ–‰ํ•˜์˜€์œผ๋ฉฐ, ๋ฌผ์„ฑ๋ถ„์„์„ ์œ„ํ•˜์—ฌ 12 ฮผm ๋‘๊ป˜๊ฐ€ ๋˜๋„๋ก ์ „์ฐฉ์‹œ์ผฐ๋‹ค. ๋„๊ธˆ์ธต์˜ ํ‘œ๋ฉดํ˜•์ƒ ๊ด€์ฐฐ๊ณผ ๊ฒฐ์ •๋ฆฝ ํฌ๊ธฐ๋ฅผ ๋ถ„์„ํ•˜๊ธฐ ์œ„ํ•˜์—ฌ ์ฃผ์‚ฌ์ „์žํ˜„๋ฏธ๊ฒฝ(FESEM, SU-70, Hitachi, Japan), X์„  ํšŒ์ ˆ๋ถ„์„๊ธฐ(Dmax III-A type, Rigaku Co., Japan)๋ฅผ ์‚ฌ์šฉํ•˜์˜€๋‹ค. ๋˜ํ•œ ๊ธฐ๊ณ„์  ์„ฑ์งˆ ์ธก์ •์„ ์œ„ํ•˜์—ฌ IPC-TM-650 ๊ทœ๊ฒฉ์— ๋งž๊ฒŒ ์ „์ฐฉ์ธต์„ ํƒ€์ดํƒ€๋Š„ ํŒ์œผ๋กœ๋ถ€ํ„ฐ ๋ถ„๋ฆฌํ•˜์—ฌ 12.7 mm ร— 100 mm ํฌ๊ธฐ๋กœ ์ ˆ๋‹จํ•˜๊ณ , ์ธ์žฅ์‹œํ—˜๊ธฐ(AG-X, Shimadzu, Japan)๋ฅผ ์‚ฌ์šฉํ•˜์—ฌ ์ธ์žฅ๊ฐ•๋„์™€ ์—ฐ์‹ ์œจ์„ ์ธก์ •ํ•˜์˜€๋‹ค. ์ธ์žฅ๊ฐ•๋„ ํ…Œ์ŠคํŠธ๋Š” 6ํšŒ๋ฅผ ์ธก์ •ํ•˜์˜€์œผ๋ฉฐ ์ธก์ •๊ฐ’์€ Minitab ํ”„๋กœ๊ทธ๋žจ์„ ์‚ฌ์šฉํ•˜์—ฌ ํ†ต๊ณ„ ์ฒ˜๋ฆฌํ•˜์˜€๋‹ค.

3. ๊ฒฐ๊ณผ ๋ฐ ๊ณ ์ฐฐ

3.1 ๊ฐœ๋ณ„ ์ฒจ๊ฐ€์ œ์˜ ์ดˆ๊ธฐ ์ „์••

๊ทธ๋ฆผ 1์€ ์ฒจ๊ฐ€์ œ๋ฅผ ์ฒจ๊ฐ€ํ•˜์ง€ ์•Š์€ ํ™ฉ์‚ฐ-ํ™ฉ์‚ฐ๊ตฌ๋ฆฌ ๊ธฐ๋ณธ์š•์— ์—ผํ™”์ด์˜จ์„ ๋†๋„๋ฅผ ๋‹ฌ๋ฆฌํ•˜์—ฌ ์ดˆ๊ธฐ 0.2์ดˆ ์ „ํ•ด๋„๊ธˆ์„ ์ง„ํ–‰ํ•˜๋Š” ๋™์•ˆ์˜ ์ „์•• ๋ณ€ํ™”๋ฅผ ๋‚˜ํƒ€๋‚ธ ๊ฒฐ๊ณผ์ด๋‹ค. ์—ผํ™”์ด์˜จ์˜ ์ฒจ๊ฐ€์‹œ ์ฒจ๊ฐ€์ œ๋ฅผ ํˆฌ์—ฌํ•˜์ง€ ์•Š์€ ๋ฌด์ฒจ๊ฐ€๊ตฐ ๋Œ€๋น„ ์ „์••์€ ์ „๋ฐ˜์ ์œผ๋กœ ์ƒ์Šนํ•˜์˜€๋‹ค. ์ฒจ๊ฐ€ ๋†๋„๋ณ„๋กœ๋Š” ์ฒจ๊ฐ€๋Ÿ‰์ด 10 ppm์ธ ๊ฒฝ์šฐ์— ๊ฐ€์žฅ ๋†’์€ ์ „์••์„ ๋ณด์˜€๊ณ , ์ฒจ๊ฐ€๋Ÿ‰์ด ์ฆ๊ฐ€ํ•˜๋ฉด์„œ ์ „์••์ด ๊ฐ์†Œํ•˜์—ฌ 40 ppm ์ด์ƒ์˜ ์กฐ๊ฑด์—์„œ๋Š” ์œ ์˜์ฐจ๊ฐ€ ์—†์—ˆ๋‹ค. ์—ผํ™”์ด์˜จ์€ ๊ตฌ๋ฆฌ ์ „์ฐฉ์ธต ํ‘œ๋ฉด์— ํก์ฐฉํ•˜์—ฌ ๊ตฌ๋ฆฌ ์ด์˜จ๊ณผ ์ „์ฐฉ์ธต ํ‘œ๋ฉด์˜ ๊ฑฐ๋ฆฌ๋ฅผ ์ค„์—ฌ์ฃผ๋Š” ๊ฐ€๊ต ์—ญํ• ์„ ํ•˜๊ธฐ์— ์ ์€ ๋Ÿ‰์€ 10 ppm ์ฒจ๊ฐ€์‹œ์—๋Š” ํ‘œ๋ฉด์˜ ์ผ๋ถ€ ์˜์—ญ์—์„œ ๊ตฌ๋ฆฌ์ด์˜จ๊ณผ ๊ฒฐํ•ฉ์„ ํ•˜๋ ค๊ณ ํ•˜๊ธฐ์— ์ „์••์ด ์ƒ์Šนํ•˜์˜€๊ณ , ์ฒจ๊ฐ€๋Ÿ‰์ด ์ฆ๊ฐ€ํ•˜๋ฉด์„œ ๊ธฐ์ง€ ํ‘œ๋ฉด์˜ ์—ฌ๋Ÿฌ ์˜์—ญ์œผ๋กœ ์—ผํ™”์ด์˜จ์ด ๋ถ„ํฌ๋˜์–ด ๊ตฌ๋ฆฌ์ด์˜จ๊ณผ ๊ฒฐํ•ฉํ•˜๊ธฐ์— ์ „์••์ด ๋‚ฎ์•„์ง€๋‹ค 40 ppm์ด์ƒ์˜ ์กฐ๊ฑด์—์„œ๋Š” ๋” ์ด์ƒ ๋ณ€ํ™”๊ฐ€ ๊ด€์ฐฐ๋˜์ง€ ์•Š๋Š” ๊ฒƒ์œผ๋กœ ์ƒ๊ฐ๋œ๋‹ค.

๊ทธ๋ฆผ 2๋Š” ์—ผํ™”์ด์˜จ์˜ ์ฒจ๊ฐ€๋Ÿ‰์„ ๋‹ฌ๋ฆฌํ•˜์—ฌ 0.2์ดˆ ๋™์•ˆ ๋„๊ธˆํ•œ ํ‘œ๋ฉด์„ ๊ด€์ฐฐํ•œ ๊ฒฐ๊ณผ์ด๋‹ค. ์•„๋ฌด๋Ÿฐ ์ฒจ๊ฐ€์ œ๋ฅผ ์ถ”๊ฐ€ํ•˜์ง€ ์•Š์€ ๋ฌด์ฒ˜๋ฆฌ ๊ตฐ์˜ ๊ฒฝ์šฐ 1 ฮผm ์ดํ•˜์˜ ๊ตฌํ˜• ๊ฒฐ์ •๋“ค์ด ํ‘œ๋ฉด์— ํ˜•์„ฑ๋˜๊ณ  ์žˆ์œผ๋ฉฐ, ์—ผํ™”์ด์˜จ๋Œ€๋น„ ๊ธฐ์ง€ ํ‘œ๋ฉด์— ๋„“๊ฒŒ ๋ถ„ํฌํ•˜์—ฌ ๊ฒฐ์ •์ด ํ˜•์„ฑ๋˜๊ณ  ์žˆ๋‹ค. ์—ผํ™”์ด์˜จ์„ ์ฒจ๊ฐ€ํ•œ ๊ฒฝ์šฐ์—๋Š” ์ „์ฒด์ ์œผ๋กœ ๊ฒฐ์ •๋“ค์ด ์‘์ง‘ํ•ด์„œ ํ˜•์„ฑ๋˜๋Š” ๊ฒฝํ–ฅ์ด ์žˆ์œผ๋ฉฐ, ํ‘œ๋ฉด์— ํฐ ๊ฒฐ์ •์ด ์กด์žฌํ•˜๊ณ  ์ฃผ๋ณ€์œผ๋กœ ์ž‘์€ ๊ฒฐ์ •๋“ค์ด ์ƒ์„ฑ๋˜๋Š” ํ˜•ํƒœ๋กœ ๊ฒฐ์ •์˜ ํฌ๊ธฐ๊ฐ€ ๊ท ์ผํ•˜์ง€ ์•Š๋Š” ํŠน์„ฑ์„ ๋ณด์ด๊ณ  ์žˆ๋‹ค. ๋˜ํ•œ ๊ฒฐ์ •์˜ ํ‘œ๋ฉด์„ ํ™•๋Œ€ํ•˜์—ฌ ๊ด€์ฐฐํ•œ ๊ฒฐ๊ณผ ๋ฌด์ฒ˜๋ฆฌ ๊ตฐ์˜ ๊ฒฝ์šฐ ๊ตฌ๋ฆฌ ๊ฒฐ์ •์˜ ํ‘œ๋ฉด์ด ๋งค๋„๋Ÿฌ์šด ๋ฐ˜๋ฉด ์—ผํ™”์ด์˜จ์„ ์ฒจ๊ฐ€ํ•œ ๊ฒฝ์šฐ์—๋Š” ํฐ ๊ฒฐ์ • ํ‘œ๋ฉด์— ์ž‘์€ ๊ฒฐ์ •๋“ค์ด ๋งŽ์ด ๋ถ™์–ด์žˆ๋Š” ํ˜•ํƒœ๋ฅผ ๋ณด์ด๊ณ  ์žˆ๋‹ค (๊ทธ๋ฆผ 3).

MPSA์ฒจ๊ฐ€์ œ์˜ ์ฒจ๊ฐ€๋Ÿ‰์„ ๋‹ฌ๋ฆฌํ•˜์—ฌ ์ฒจ๊ฐ€ํ•˜์—ฌ 0.2์ดˆ ๋„๊ธˆ์‹œ๊ฐ„๋™์•ˆ์˜ ์ „์••์˜ ๋ณ€ํ™”๋ฅผ ๊ทธ๋ฆผ 4์— ๋‚˜ํƒ€๋‚ด์—ˆ๋‹ค. MPSA์ฒจ๊ฐ€์ œ๋ฅผ ์ฒจ๊ฐ€ํ•œ ๊ฒฝ์šฐ ๋ฌด์ฒจ๊ตฐ ๋Œ€๋น„ ์ „๋ฐ˜์ ์œผ๋กœ ์ „์••์ด ๋†’๊ฒŒ ํ˜•์„ฑ๋˜์—ˆ๊ณ  MPSA์ฒจ๊ฐ€๋Ÿ‰๋ณ„๋กœ ์‚ดํŽด๋ณด๋ฉด, 10 ppm ์ฒจ๊ฐ€ ์‹œ ๋†’๊ฒŒ ํ˜•์„ฑ๋˜๋˜ ์ „์••์ด ์ฒจ๊ฐ€๋Ÿ‰์ด 40 ppm๊นŒ์ง€ ์„œ์„œํžˆ ๊ฐ์†Œํ•˜๋‹ค 60 ppm์˜ ๊ฒฝ์šฐ์—๋Š” 10 ppm๋ณด๋‹ค ๋†’์€ ์ „์••์„ ๋ณด์ด๊ณ  ์žˆ๋‹ค. ๊ทธ๋Ÿฌ๋‚˜ MPSA 60 ppm์„ ์ฒจ๊ฐ€ํ•œ ๊ฒฝ์šฐ๋ฅผ ์ œ์™ธํ•˜๊ณ ๋Š” ์—ผํ™”์ด์˜จ์„ ์ฒจ๊ฐ€ํ•˜์˜€๋˜ ์กฐ๊ฑด๋Œ€๋น„ ๋‚ฎ์€ ์ „์••์„ ๋ณด์ด๊ณ  ์žˆ๋‹ค. ํ‘œ๋ฉด์„ ๊ด€์ฐฐํ•œ ๊ฒฐ๊ณผ์ธ ๊ทธ๋ฆผ 5๋ฅผ ๋ณด๋ฉด ์ฒจ๊ฐ€๋Ÿ‰์ด 10 ppm๋ณด๋‹ค ์ฆ๊ฐ€๋˜๋ฉด์„œ ๊ฒฐ์ •์ด ๋ญ‰์น˜๋Š” ํ˜„์ƒ์„ ๋ณด์ด๊ณ  ์žˆ์œผ๋ฉฐ, ํ‘œ๋ฉด์—์„œ ๋ณ„๋ชจ์–‘์˜ ๊ฒฐ์ •๋“ค์ด ํ˜•์„ฑ๋˜๊ณ  ์žˆ๋‹ค. MPSA 60 ppm์„ ์ฒจ๊ฐ€ํ•œ ๊ฒฝ์šฐ ๊ทธ๋ฆผ 4์—์„œ ์ „์••์ด ์ฆ๊ฐ€ํ•œ ์›์ธ์œผ๋กœ๋Š” ๊ฒฐ์ •๋“ค์ด ํ‘œ๋ฉด์— ๊ณ ๋ฅด๊ฒŒ ํ˜•์„ฑ๋˜์ง€ ๋ชปํ•˜๊ณ  ์ผ๋ถ€์—์„œ ๊ฒฐ์ •์ด ํฌ๊ฒŒ ์„ฑ์žฅํ•˜๊ธฐ ๋•Œ๋ฌธ์— ์ „์••์ด ์ฆ๊ฐ€๋œ ๊ฒƒ์œผ๋กœ ๋ณด์ธ๋‹ค. ๋˜ํ•œ, ์—ผํ™”์ด์˜จ๊ณผ MPSA๋ฅผ ์ฒจ๊ฐ€ํ•œ ๊ฒฝ์šฐ ๊ฒฐ์ •์ด ํ‘œ๋ฉด์— ๊ณ ๋ฅด๊ฒŒ ๋ถ„ํฌํ•˜๋ ค๋Š” ๊ฒฝํ–ฅ ๋ณด๋‹ค๋Š” ๊ฒฐ์ •๊ณผ ๊ฒฐ์ •์ด ์„œ๋กœ ์‘์ง‘ํ•˜๋ ค๋Š” ๊ฒฝํ–ฅ์ด ๊ฐ•ํ•ด์ง€๋Š” ๊ฒƒ์œผ๋กœ ๋ณด์ธ๋‹ค.

์–ต์ œ์ œ์ธ ์ฝœ๋ผ๊ฒ์„ ์ฒจ๊ฐ€ํ•œ ๊ฒฝ์šฐ์˜ ์ „์••์„ ๊ทธ๋ฆผ 6์— ๋‚˜ํƒ€๋‚ด์—ˆ์œผ๋ฉฐ, ์ฝœ๋ผ๊ฒ์„ 10 ppm ์ฒจ๊ฐ€ํ•œ ๊ฒฝ์šฐ์—๋Š” ๋ฌด์ฒจ๊ฐ€๊ตฐ ๋Œ€๋น„ ์ „์••์ด ๋‚ฎ๊ฒŒ ํ˜•์„ฑ์ด ๋˜์—ˆ๋‹ค. ๊ทธ๋Ÿฌ๋‚˜ 20 ppm ์ด์ƒ์˜ ์กฐ๊ฑด์—์„œ๋Š” ๋ฌด์ฒจ๊ฐ€๊ตฐ ๋Œ€๋น„ ์ „์••์ด ๋†’๊ฒŒ ํ˜•์„ฑ์ด ๋˜์—ˆ๊ณ  30 ppm์—์„œ ์ตœ๋Œ€์น˜๋ฅผ ๋ณด์ด๊ณ  ์ „์••์ด ๊ฐ์†Œํ•˜์˜€๋‹ค. ๋˜ํ•œ ์ฝœ๋ผ๊ฒ์„ 30 ppm ์ฒจ๊ฐ€ํ•œ ๊ฒฝ์šฐ์˜ ๋‹ค๋ฅธ ์ฒจ๊ฐ€์ œ๋ฅผ ์ฒจ๊ฐ€ํ•˜์—ฌ ์‹คํ—˜ํ•œ ๊ฒฐ๊ณผ์™€ ๋น„๊ต ์‹œ ๊ฐ€์žฅ ๋†’์€ ์ „์••์„ ๋ณด์ด๊ณ  ์žˆ๋‹ค. ์ด๋Ÿฌํ•œ ํ‘œ๋ฉด์˜ ํ˜•์ƒ์„ ๊ทธ๋ฆผ 7์—์„œ ๋น„๊ต ์‹œ ์ฝœ๋ผ๊ฒ์˜ ์ฒจ๊ฐ€๋Ÿ‰ 10~20 ppm ์ธ ๊ฒฝ์šฐ์—๋Š” ๊ตฌํ˜• ํ˜•ํƒœ์˜ ๊ฒฐ์ •๋“ค์ด ํ‘œ๋ฉด์— ์กด์žฌํ•˜๋‚˜, 30 ppm ์ด์ƒ์˜ ์กฐ๊ฑด์—์„œ๋Š” ๊ฒฐ์ •๋“ค์ด ์‘์ง‘๋˜๊ณ  ๊ฒฐ์ •์œ„์— ๊ฒฐ์ •์ด ์„ฑ์žฅํ•˜์—ฌ ๋ณ„๋ชจ์–‘์˜ ๊ฒฐ์ •์ด ํ‘œ๋ฉด์— ์กด์žฌํ•˜๊ณ  ์žˆ๋‹ค. ์ฝœ๋ผ๊ฒ์ด ๊ธฐ์ง€ ํ‘œ๋ฉด์— ํก์ฐฉ๋˜์–ด ๊ตฌ๋ฆฌ ์ด์˜จ์˜ ์ด๋™์„ ์›ํ™œํ•˜์ง€ ๋ชปํ•˜๊ฒŒ ํ•˜์—ฌ ๊ฒฐ์ •์œ„์— ๋˜ ๋‹ค๋ฅธ ๊ฒฐ์ •๋“ค์ด ์ƒ์„ฑ, ์„ฑ์žฅํ•˜๋Š” ํ˜•์ƒ์„ ๋ณด์ด๊ณ  ์žˆ์œผ๋ฉฐ, ๊ตฌ๋ฆฌ์ด์˜จ์˜ ์ด๋™์„ ์›ํ™œํ•˜์ง€ ๋ชปํ•˜๊ฒŒ ํ•˜๋Š” ์ž‘์šฉ์œผ๋กœ ๊ทธ๋ฆผ 6์—์„œ ๋†’์€ ์ „์••์„ ๋‚˜ํƒ€๋‚˜๊ฒŒ ํ•˜๋Š” ์›์ธ์œผ๋กœ ํŒŒ์•…๋œ๋‹ค.

ํ‰ํƒ„์ œ์ธ JGB ์ฒจ๊ฐ€์ œ๋ฅผ ์ฒจ๊ฐ€ํ•œ ๋„๊ธˆ์š•์—์„œ ๋„๊ธˆ์„ ์ง„ํ–‰ํ•˜๋Š” ๋™์•ˆ์˜ ์ „์••์„ ๊ทธ๋ฆผ 8์— ๋‚˜ํƒ€๋‚ด์—ˆ์œผ๋ฉฐ, JGB ์ฒจ๊ฐ€๋Ÿ‰์ด ์ฆ๊ฐ€ํ•˜๋ฉด์„œ ์ „์••์ด ์ƒ์Šนํ•˜๋‹ค 30 ppm์ธ ์กฐ๊ฑด์—์„œ ๊ฐ€์žฅ ๋†’์€ ์ „์••์„ ๋ณด์ด๊ณ  ์žˆ์œผ๋ฉฐ, ์ดํ›„ ์ „์••์ด ๊ฐ์†Œํ•˜๋Š” ๊ฒฝํ–ฅ์„ ๋ณด์ด๊ณ  ์žˆ๋‹ค. ์•ž์„œ ๋‹ค๋ฅธ ์ฒจ๊ฐ€์ œ์—์„œ๋„ ์•Œ ์ˆ˜ ์žˆ๋“ฏ์ด ์ „์••์ด ๋†’์€ ๊ฒฝ์šฐ ๊ฒฐ์ •๋“ค์ด ์‘์ง‘ํ•˜๋Š” ํ˜„์ƒ์„ ๋ณด์ด๊ณ  ์žˆ๊ณ , JGB ์ฒจ๊ฐ€์ œ์˜ ๊ฒฝ์šฐ์—๋Š” ์ „์••์ด ๊ฐ€์žฅ ๋†’์€ ์กฐ๊ฑด(30 ppm)์—์„œ ๊ฒฐ์ •๋“ค์ด ์‘์ง‘๋˜๋Š” ํ˜„์ƒ์„ ๊ด€์ฐฐ ํ•  ์ˆ˜ ์žˆ๋‹ค(๊ทธ๋ฆผ 9). ๋˜ํ•œ ํฐ ๊ฒฐ์ •์˜ ํ‘œ๋ฉด์—์„œ ๋‹ค์ˆ˜์˜ ๋ฏธ์„ธ ๊ฒฐ์ •๋“ค์ด ์ƒ์„ฑ๋˜๊ณ  ์„ฑ์žฅ์ด ์ด๋ฃจ์–ด์ง€๊ณ  ์žˆ๋‹ค. ๊ฐœ๋ณ„์ ์œผ๋กœ ์ฒจ๊ฐ€์ œ๋ฅผ ์ฒจ๊ฐ€ํ•œ ๊ฒฝ์šฐ ์ฒจ๊ฐ€์ œ ์ข…๋ฅ˜๋ณ„ ์ดˆ๊ธฐ ์ „์•• ์ฐจ์ด๊ฐ€ ์žˆ์œผ๋ฉฐ, ์ฒจ๊ฐ€์ œ๋ณ„ ์ตœ๋Œ€ ์ „์••์— ๋„๋‹ฌํ•˜๋Š” ์ฒจ๊ฐ€๋Ÿ‰์—๋„ ์ฐจ์ด๋ฅผ ๋ณด์ด๊ณ  ์žˆ๋‹ค. ๊ทธ๋Ÿฌ๋‚˜ ํ‘œ๋ฉด์ด ๊ท ์ผํ•œ ๋„๊ธˆ์ธต์„ ์–ป๊ธฐ ์œ„ํ•ด์„œ๋Š” ๊ฐœ๋ณ„ ์ฒจ๊ฐ€์ œ๋งŒ์œผ๋กœ๋Š” ์ œ์กฐ๊ฐ€ ์–ด๋ ต๊ธฐ์— ์ด๋Ÿฌํ•œ ์ฒจ๊ฐ€์ œ์˜ ํ˜ผํ•ฉ์— ๋Œ€ํ•œ ์—ฐ๊ตฌ๊ฐ€ ์ถ”๊ฐ€์ ์œผ๋กœ ํ•„์š”ํ•˜๋‹ค.

๊ฐœ๋ณ„์ฒจ๊ฐ€์ œ ํ…Œ์ŠคํŠธ ๊ฒฐ๊ณผ์—์„œ ์—ผํ™”์ด์˜จ์€ ์ฒจ๊ฐ€๋Ÿ‰์— ๋”ฐ๋ผ ์ „์••์ด ๋ณ€ํ™”๊ฐ€ ์ ์€ 40 ppm์„ ์„ ์ •ํ•˜์˜€๊ณ , ๊ฐ€์†์ œ์ธ MPSA์˜ ๊ฒฝ์šฐ ๋„๊ธˆ์ด ์ง„ํ–‰๋˜๋ฉด์„œ ๋ถ„ํ•ด๊ฐ€ ๋˜๊ธฐ์— ์ „์•• ๋ณ€ํ™”๊ฐ€ ์ ์€ 40 ppm์„ ์–ต์ œ์ œ์ธ ์ฝœ๋ผ๊ฒ์˜ ๊ฒฝ์šฐ์—๋Š” ์ „์•• ์ƒ์Šนํญ์ด ๊ธ‰๊ฒฉํžˆ ๋ณ€ํ™”ํ•˜์˜€๋˜ 20 ppm, 30 ppm์„ ์„ ์ •ํ•˜์˜€๋‹ค. ๋˜ํ•œ ํ‰ํƒ„์ œ์ธ JGB์€ ์‘์ง‘ํ˜„์ƒ์ด ๋‹ค์†Œ ์ ์€ 10 ppm์„ ์„ ์ •ํ•˜์˜€๋‹ค. ํ‘œ 2๋Š” ๋ณตํ•ฉ์ฒจ๊ฐ€์ œ์˜ ์กฐ๊ฑด๊ณผ 0.2์ดˆ๊ฐ„ ๋„๊ธˆ์ด ์ด๋ฃจ์–ด์ง€๋Š” ๊ณผ์ •์—์„œ์˜ ์ „์••์„ ๋‚˜ํƒ€๋‚ธ ๊ฒƒ์ด๋‹ค.

ํ‘œ 2์—์„œ์˜ ์ดˆ๊ธฐ ์ „์••์€(0.07~0.12์ดˆ ๊ตฌ๊ฐ„์˜ ์ „์•• ํ‰๊ท ) ๋ฌด์ฒจ๊ฐ€๊ตฐ ๋Œ€๋น„ ์—ผํ™”์ด์˜จ๊ณผ ๊ฐ€์†์ œ๋ฅผ ์ฒจ๊ฐ€ํ•œ (b)๊ตฐ์˜ ๊ฒฝ์šฐ ์ „์••์ด ์•ฝ 11 % ์ฆ๊ฐ€ํ•˜์˜€์œผ๋ฉฐ, ์—ฌ๊ธฐ์— ์ถ”๊ฐ€๋กœ ์–ต์ œ์ œ์ธ ์ฝœ๋ผ๊ฒ์„ 20 ppm ์ฒจ๊ฐ€ํ•œ ๊ฒฝ์šฐ์—๋Š” ์ „์•• ๋ณ€ํ™”๊ฐ€ ๋ฏธ๋ฏธํ•˜์˜€์œผ๋‚˜ 30 ppm์„ ์ฒจ๊ฐ€ํ•œ ๊ฒฝ์šฐ์—๋Š” ๋ฌด์ฒจ๊ฐ€ ๋Œ€๋น„ ์•ฝ 17% ์ฆ๊ฐ€๋กœ ์ฆ๊ฐ€ํญ์ด ๋งค์šฐ ํฌ๊ฒŒ ๋‚˜ํƒ€๋‚˜๊ณ  ์žˆ๋‹ค. ์ด๋Ÿฌํ•œ ์ „์•• ์ƒ์Šน ํšจ๊ณผ๋Š” ํ‰ํƒ„์ œ์ธ JGB ์ฒจ๊ฐ€์ œ๋ฅผ 10 ppm ์ฒจ๊ฐ€ํ•œ ๊ฒฝ์šฐ์— ์ตœ๋Œ€์น˜๋กœ ๋ฌด์ฒจ๊ฐ€๊ตฐ ๋Œ€๋น„ ์•ฝ 21% ์ „์•• ์ƒ์Šน์ด ๋‚˜ํƒ€๋‚ฌ๋‹ค. ๊ทธ๋ฆผ 10์€ 0.2์ดˆ๊ฐ„ ๋„๊ธˆํ•œ ํ‘œ๋ฉด์˜ ๊ฒฐ์ • ํ˜•์ƒ์„ ๊ด€์ฐฐํ•œ ๊ฒฐ๊ณผ์ด๋‹ค. ๋ฌด์ฒจ๊ฐ€๊ตฐ ๋Œ€๋น„ ์—ผํ™”์ด์˜จ๊ณผ MPSA๋ฅผ ๋ณตํ•ฉ์ ์œผ๋กœ ์ฒจ๊ฐ€ํ•œ ๊ฒฝ์šฐ ๊ฒฐ์ • ํฌ๊ธฐ๊ฐ€ ์ฆ๊ฐ€ํ•˜์˜€์œผ๋ฉฐ 1 ฮผm ์ด์ƒ์˜ ๊ฒฐ์ •๊ณผ 2 ฮผm ์ด์ƒ์˜ ๊ฒฐ์ •์ด ํ‘œ๋ฉด์— ๋ถ„ํฌํ•˜๊ณ  ์žˆ์œผ๋ฉฐ, ์–ต์ œ์ œ๋ฅผ ์ฒจ๊ฐ€ํ•œ (c), (d)์—์„œ ๊ฒฐ์ •์ด ํฌ๊ธฐ๊ฐ€ ๊ฐ์†Œํ•˜์˜€๋‹ค. ์ด๋Ÿฌํ•œ ๊ฒฐ์ •์˜ ํฌ๊ธฐ ๊ฐ์†Œ๋Š” ํ‰ํƒ„์ œ JGB๋ฅผ ์ฒจ๊ฐ€ํ•œ (e), (f)๊ตฐ์—์„œ๋„ ํ™•์ธ ํ•  ์ˆ˜ ์žˆ์—ˆ๋‹ค. ์ด๋Ÿฌํ•œ ์ดˆ๊ธฐ์˜ ๊ฒฐ์ •๋ฆฝ์˜ ๊ฐ์†Œ๋Š” ํ–ฅํ›„ ๋ฌผ์„ฑ์—์„œ ์˜ํ–ฅ์ด ์žˆ์„ ๊ฒƒ์œผ๋กœ ์ƒ๊ฐ๋œ๋‹ค.

12 ฮผm ๋‘๊ป˜์˜ ๋„๊ธˆ ํ‘œ๋ฉด์ธต์˜ ํ˜•์ƒ์„ ๊ด€์ฐฐํ•œ ๊ฒฐ๊ณผ๋ฅผ ๊ทธ๋ฆผ 11์— ๋‚˜ํƒ€๋‚ด์—ˆ๋‹ค. ์ดˆ๊ธฐ ํ•ต์ƒ์„ฑ๊ณผ์ •์—์„œ ๋ณด๋ฉด ํ‘œ๋ฉด์— ๊ฒฐ์ •์˜ ํฌ๊ธฐ๊ฐ€ ํฌ๊ฒŒ ์กด์žฌํ•˜์˜€๋˜ (b)๊ตฐ์—์„œ ํ‘œ๋ฉด์— 1 ฮผm ์ด์ƒ์˜ ํฐ ๊ฒฐ์ •๋“ค์ด ์กด์žฌํ•˜์˜€๊ณ , ๋ฌด์ฒจ๊ฐ€๊ตฐ (a)์กฐ๊ฑด์—์„œ๋Š” ํ‘œ๋ฉด์— (b)์กฐ๊ฑด๋ณด๋‹ค๋Š” ์ž‘์œผ๋‚˜ ์ €๋ฐฐ์œจ(1,000๋ฐฐ)์—์„œ๋„ ๊ด€์ฐฐ์ด ๋  ์ •๋„์˜ ๊ฒฐ์ •์ด ํ‘œ๋ฉด์— ์กด์žฌํ•จ์„ ํ™•์ธ ํ•  ์ˆ˜ ์žˆ์—ˆ๋‹ค. ์–ต์ œ์ œ๋ฅผ ์ถ”๊ฐ€ํ•œ (c), (d)๊ตฐ์—์„œ๋Š” ํ‘œ๋ฉด์˜ ๊ฒฐ์ •์ด ํ™•์ธ๋˜์ง€๋Š” ์•Š์•˜์œผ๋‚˜, ํ‘œ๋ฉด์ด ํ‰ํƒ„ํ•˜์ง€ ์•Š๊ณ  ๊ณจ์ด ์กด์žฌํ•˜์˜€๋‹ค. ํ‰ํƒ„์ œ๋ฅผ ์ฒจ๊ฐ€ํ•œ ๊ฒฝ์šฐ ์ด๋Ÿฌํ•œ ๊ณจ์€ ์ค„์–ด๋“ค๊ณ  ํ‰ํƒ„ํ•œ ๋„๊ธˆ ์ธต์„ ์–ป์„ ์ˆ˜ ์žˆ์—ˆ๋‹ค. ๋”ฐ๋ผ์„œ ํ‰ํƒ„ํ•œ ๋„๊ธˆ์„ ์–ป๊ณ ์ž ํ•œ๋‹ค๋ฉด ํ‰ํƒ„์ œ ์ฒจ๊ฐ€๊ฐ€ ํ•„์š”ํ•จ์„ ํ™•์ธ ํ•  ์ˆ˜ ์žˆ์—ˆ๋‹ค. ์ด๋Ÿฌํ•œ ํ‘œ๋ฉด์ธต์˜ ํ˜•์ƒ๊ณผ ๊ฒฐ์ •๋ฆฝ์˜ ํฌ๊ธฐ๋Š” ๊ธฐ๊ณ„์  ์„ฑ์งˆ์—๋„ ์˜ํ–ฅ์„ ๋ฏธ์น  ๊ฒƒ์ด๋‹ค.

๊ฒฐ์ •์˜ ํฌ๊ธฐ๋ฅผ ํ™•์ธํ•˜๊ธฐ ์œ„ํ•˜์—ฌ XRD๋ถ„์„ ์žฅ๋น„๋ฅผ ์ด์šฉํ•˜์—ฌ ์ธก์ •ํ•œ ๊ฒฐ๊ณผ๋ฅผ Scherrer์‹์œผ๋กœ ์•Œ๋ ค์ ธ ์žˆ๋Š” ์‹ (1)์„ ์ด์šฉํ•˜์—ฌ ๊ฒฐ์ •๋ฆฝ ํฌ๊ธฐ๋ฅผ ๊ตฌํ•˜์˜€๊ณ  [31,32], ์ด ๊ฒฐ๊ณผ๋ฅผ ๊ทธ๋ฆผ 12์— ๋‚˜ํƒ€๋‚ด์—ˆ๋‹ค. ์—ฌ๊ธฐ์„œ ฮป๋Š” XRD ์žฅ๋น„์˜ ๊ตฌ๋ฆฌ ํƒ€๊ฒŸ ํŒŒ์žฅ 0.154056 nm, B๋Š” ์‹œํŽธ์—์„œ ๊ฐ๊ฐ ์ธก์ •ํ•œ ๋ฐ˜๊ฐ€ํญ, ฮธ๋Š” ํšŒ์ ˆํ”ผํฌ์˜ ์œ„์น˜์˜ 2ฮธ์˜ ๋ฐ˜์ ˆ์ธ ๊ฐ’์ด๋‹ค.

(1)
t   =   0 . 89   โ€ข ฮป B โ€ข   cos ฮธ  

์ฒจ๊ฐ€์ œ๋ฅผ ์ฒจ๊ฐ€ํ•˜์ง€ ์•Š์€ (a)๊ตฐ ๋Œ€๋น„ ๊ฐ€์†์ œ๋ฅผ ์ฒจ๊ฐ€ํ•œ ๊ฒฝ์šฐ ๊ฒฐ์ •๋ฆฝ ํฌ๊ธฐ๊ฐ€ ๋ฐฉ์œ„๋ณ„ 10.8~40.0% ์ฆ๊ฐ€ํ•˜์˜€๊ณ , ์–ต์ œ์ œ๋ฅผ 20 ppm ์ฒจ๊ฐ€ํ•œ ๊ฒฝ์šฐ ๊ฒฐ์ •๋ฐฉ์œ„๋ณ„ ๊ฐ€์žฅ ํฐ ๊ฒฐ์ •๋ฆฝ ํฌ๊ธฐ๋ฅผ ๋ณด์ด๊ณ  ์žˆ์œผ๋ฉฐ, ๋ฌด์ฒจ๊ฐ€ (a)๊ตฐ ๋Œ€๋น„ (111)๋ฐฉ์œ„๋Š” 8.5%, (311)๋ฐฉ์œ„๋Š” 172% ๊ฒฐ์ •๋ฆฝ ํฌ๊ธฐ ์ฆ๊ฐ€๊ฐ€ ์žˆ์—ˆ๋‹ค. ์˜คํžˆ๋ ค ์–ต์ œ์ œ 30 ppm์„ ์ฒจ๊ฐ€ํ•œ ๊ฒฝ์šฐ 20 ppm์„ ์ฒจ๊ฐ€ํ•œ (c)์กฐ๊ฑด๋ณด๋‹ค ๊ฒฐ์ •๋ฆฝ ํฌ๊ธฐ๊ฐ€ ๊ฐ์†Œํ•˜์˜€๋‹ค. ํ‰ํƒ„์ œ๋ฅผ ์ฒจ๊ฐ€ํ•œ ๊ฒฝ์šฐ์—๋Š” ์ด๋Ÿฌํ•œ ๊ฒฐ์ •๋ฆฝ ํฌ๊ธฐ๊ฐ€ ํฌ๊ฒŒ ๊ฐ์†Œํ•˜์—ฌ ๋ฌด์ฒจ๊ฐ€๊ตฐ ๋Œ€๋น„ ๊ฒฐ์ •๋ฐฉ์œ„๋ณ„ 13.5~39.8%๊ฐ€ ๊ฐ์†Œํ•˜์˜€๋‹ค. ์ด๋Ÿฌํ•œ ํ˜„์ƒ์€ ํ‰ํƒ„์ œ๋Š” ์–ต์ œ์ œ์™€ ๋งˆ์ฐฌ๊ฐ€์ง€๋กœ ๋„๊ธˆ์„ ์–ต์ œํ•˜๊ธฐ ์œ„ํ•ด ๋„๊ธˆ ํ‘œ๋ฉด์— ํก์ฐฉํ•˜๊ฒŒ ๋˜๊ณ , ํ‰ํƒ„์ œ์˜ ํก์ฐฉ๋Šฅ๋ ฅ์ด ์–ต์ œ์ œ, ์ด‰์ง„์ œ๋ณด๋‹ค ๊ฐ•ํ•˜๊ธฐ์— ๋„๊ธˆ์ธต์˜ ์„ฑ์žฅ์„ ์–ต์ œํ•˜์—ฌ ๊ฒฐ์ •๋ฆฝ์˜ ํฌ๊ธฐ๋ฅผ ๊ฐ์†Œ์‹œํ‚จ๋‹ค [11,27-30]. ๋˜ํ•œ ๊ฒฐ์ •๋ฆฝ์˜ ํฌ๊ธฐ ๋ณ€ํ™”๋Š” ๊ธฐ๊ณ„์  ์„ฑ์งˆ์—๋„ ์˜ํ–ฅ์„ ๋ฏธ์น˜๊ธฐ์— ์ด๋Ÿฌํ•œ ํŠน์„ฑ์„ ๋ถ„์„ํ•œ ๊ฒฐ๊ณผ๋ฅผ ๊ทธ๋ฆผ 13์— ๋‚˜ํƒ€๋‚ด์—ˆ๋‹ค.

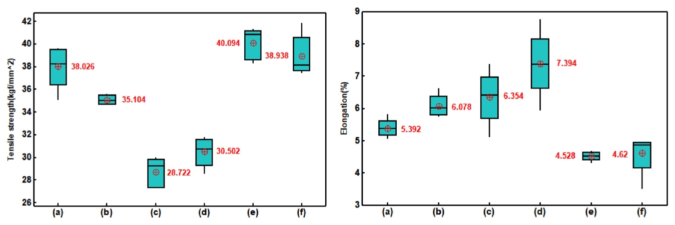
์–ต์ œ์ œ๋ฅผ ์ถ”๊ฐ€ํ•˜์—ฌ ๊ฒฐ์ •๋ฆฝ ํฌ๊ธฐ๊ฐ€ ์ฆ๊ฐ€ํ•˜์˜€๋˜ (c), (d)๊ตฐ์—์„œ ์ธ์žฅ๊ฐ•๋„๊ฐ€ ๊ฐ€์žฅ ๋‚ฎ๊ณ  ์—ฐ์‹ ์œจ์€ ๋†’๊ฒŒ ๋‚˜์™”๋‹ค. ์–ต์ œ์ œ์ฒจ๊ฐ€๋Ÿ‰์— ์˜ํ•œ ์˜ํ–ฅ์€ p-value ๊ฐ’์ด 0.059๋กœ ์œ ์˜์ฐจ ์—ฌ๋ถ€๋ฅผ ํŒ๋‹จํ•˜๊ธฐ์—๋Š” ๋ชจํ˜ธํ•˜๋‚˜ ์—ฐ์‹ ์œจ์˜ ๊ฒฝ์šฐ์—๋Š” p-value ๊ฐ’์ด 0.108๋กœ ์œ ์˜ํ•œ ์ฐจ์ด๊ฐ€ ์—†์—ˆ๋‹ค. ํ‰ํƒ„์ œ๋ฅผ ๋ณตํ•ฉ์ ์œผ๋กœ ์ฒจ๊ฐ€ํ•œ (d), (f)๊ตฐ์˜ ๊ฒฝ์šฐ ๊ฒฐ์ •๋ฆฝ์˜ ๊ฐ์†Œ๋กœ ๋ฌด์ฒจ๊ฐ€๊ตฐ ๋Œ€๋น„์ˆ˜์น˜์ƒ์œผ๋กœ ์ธ์žฅ๊ฐ•๋„๊ฐ€ ์ฆ๊ฐ€ํ•˜์˜€์œผ๋‚˜, p-value๊ฐ’์€ 0.283์œผ๋กœ ์œ ์˜ํ•œ ์ฐจ์ด๋Š” ์—†์—ˆ๋‹ค. ๊ทธ๋Ÿฌ๋‚˜ ์—ฐ์‹ ์œจ์€ ๊ฐ์†Œํ•จ์„ ํ™•์ธํ•  ์ˆ˜ ์žˆ๋‹ค(p-value: 0.006). ๋˜ํ•œ ์–ต์ œ์ œ๋ฅผ ์ฒจ๊ฐ€ํ•˜์˜€๋˜(c), (d)๊ตฐ๊ณผ ๋น„๊ต์‹œ ์ธ์žฅ๊ฐ•๋„๋Š” 27.6~39.6% ์ฆ๊ฐ€ํ•˜์˜€๊ณ , ์—ฐ์‹ ์œจ์€ 28.7~37.5% ๊ฐ์†Œํ•˜์˜€๋‹ค. ๋„๊ธˆ์ธต์˜ ํŒŒ๋‹จ๋ฉด์„ ๊ด€ํ• ๊ฒฐ๊ณผ๋ฅผ ๊ทธ๋ฆผ 14์— ๋‚˜ํƒ€๋‚ด์—ˆ์œผ๋ฉฐ, ๋ฌด์ฒจ๊ฐ€๊ตฐ๊ณผ ๊ฐ€์†์ œ๋ฅผ ์ฒจ๊ฐ€ํ•œ (b)์กฐ๊ฑด์—์„œ๋Š” ๊ฒฐ์ •๋ฆฝ์ด ์ธ์žฅ๋ฐฉํ–ฅ์œผ๋กœ ๊ธธ๊ฒŒ ๋ณ€ํ˜•๋˜์–ด ํŒŒ๋‹จ๋ฉด ๋ถ€๊ทผ์ด ์–‡์•„์ง€๋Š” shear-lip๊ณผ ๊ฐ™์€ ํ˜•ํƒœ์˜ ํŒŒ๋‹จ๋ฉด์ด ๊ด€์ฐฐ๋˜์—ˆ๋‹ค. ๋˜ํ•œ ์–ต์ œ์ œ๋ฅผ ์ฒจ๊ฐ€ํ•œ (c), (d) ์กฐ๊ฑด์—์„œ๋„ shear-lip์˜ ํ˜•์ƒ์ด ๋ณด์ด๋‚˜, ํ‰ํƒ„์ œ๋ฅผ ์ฒจ๊ฐ€ํ•œ ์กฐ๊ฑด์—์„œ๋Š” ์ด๋Ÿฌํ•œ ํŒŒ๋‹จ๋ฉด์ด ๊ด€์ฐฐ๋˜์ง€ ์•Š์•˜๋‹ค. ์ดˆ๊ธฐ ํ•ต์ƒ์„ฑ์˜ ์˜ํ–ฅ๊ณผ ๊ฒฐ์ •๋ฆฝ์˜ ์„ฑ์žฅ์— ์˜ํ•œ ๊ฒฐ์ •๋ฆฝ ํฌ๊ธฐ์˜ ์˜ํ–ฅ์œผ๋กœ ๊ธฐ๊ณ„์  ์„ฑ์งˆ์— ์˜ํ–ฅ์„ ๋ฏธ์น˜๋Š” ์›์ธ์œผ๋กœ ์ž‘์šฉํ•œ ๊ฒƒ์œผ๋กœ ๋ณด์ธ๋‹ค.

4. ๊ฒฐ ๋ก 

๋„๊ธˆ ํ˜„์žฅ์—์„œ ์‚ฌ์šฉ๋˜๊ณ  ์žˆ๋Š” ๊ณ ์ „๋ฅ˜๋ฐ€๋„ ์ „ํ•ด๋„๊ธˆ ์กฐ๊ฑด์—์„œ ์–ต์ œ์ œ์™€ ํ‰ํƒ„์ œ ์ฒจ๊ฐ€์— ์˜ํ•œ ํ‘œ๋ฉดํŠน์„ฑ, ๊ตฌ์กฐ์  ํŠน์„ฑ ๋ณ€ํ™”๋ฅผ ํ™•์ธํ•˜๊ธฐ ์œ„ํ•˜์—ฌ ์ฝœ๋ผ๊ฒ๊ณผ JGB์˜ ์–‘์„ ๋ณ€ํ™”์‹œ์ผœ ์ฒจ๊ฐ€ํ•œ ํ›„ ๋„๊ธˆ์ธต์— ๋Œ€ํ•œ ์—ฐ๊ตฌ๋ฅผ ์ง„ํ–‰ํ•˜์˜€๋‹ค.

1. ์—ผํ™”์ด์˜จ ๋ฐ ๊ฐ€์†์ œ์ธ MPSA๋ฅผ ๋‹จ๋…์œผ๋กœ ์ฒจ๊ฐ€ํ•œ ๊ฒฝ์šฐ ๋ฌด์ฒจ๊ฐ€ ์กฐ๊ฑด ๋Œ€๋น„ ์ „์••์€ ์ „๋ฐ˜์ ์œผ๋กœ ๋†’๊ฒŒ ํ˜•์„ฑ ๋˜์—ˆ์œผ๋ฉฐ, 30~40 ppm ๊ตฌ๊ฐ„์—์„œ๋Š” ์ฒจ๊ฐ€๋Ÿ‰์— ๋Œ€ํ•œ ์ „์•• ๋ณ€ํ™”๊ฐ€ ๊ฐ์†Œํ•˜์˜€๋‹ค. ๋˜ํ•œ ์ฒจ๊ฐ€๋Ÿ‰์ด ์ฆ๊ฐ€ ํ• ์ˆ˜๋ก ๊ฒฐ์ •๋“ค์ด ์‘์ง‘ํ•ด์„œ ํ˜•์„ฑ๋˜๋Š” ๊ฒฝํ–ฅ์ด ์žˆ์œผ๋ฉฐ, ํ‘œ๋ฉด์— ํฐ ๊ฒฐ์ •์ด ์กด์žฌํ•˜๊ณ  ์ฃผ๋ณ€์œผ๋กœ ์ž‘์€ ๊ฒฐ์ •๋“ค์ด ์ƒ์„ฑ๋˜๋Š” ํ˜•ํƒœ๋กœ ๊ฒฐ์ •์˜ ํฌ๊ธฐ๊ฐ€ ๊ท ์ผํ•˜์ง€ ์•Š๋Š” ํŠน์„ฑ์„ ๋ณด์ด๊ณ  ์žˆ๋‹ค.

2. ์–ต์ œ์ œ์ธ ์ฝœ๋ผ๊ฒ์„ 30 ppm ์ฒจ๊ฐ€ํ•œ ๊ฒฝ์šฐ์˜ ๋‹ค๋ฅธ ์ฒจ๊ฐ€์ œ๋ฅผ ๊ฐœ๋ณ„ ์ฒจ๊ฐ€ํ•˜์—ฌ ์‹คํ—˜ํ•œ ๊ฒฐ๊ณผ์™€ ๋น„๊ต ์‹œ ๊ฐ€์žฅ ๋†’์€ ์ „์••์ด ๋‚˜ํƒ€๋‚ฌ์œผ๋ฉฐ, ํ‰ํƒ„์ œ์ธ JGB ์ฒจ๊ฐ€๋Ÿ‰์ด ์ฆ๊ฐ€ํ•˜๋ฉด์„œ ์ „์••์ด ์ƒ์Šนํ•˜๋‹ค 30 ppm์ธ ์กฐ๊ฑด์—์„œ ๊ฐ€์žฅ ๋†’์€ ์ „์••์„ ๋ณด์ด๊ณ  ์žˆ๋‹ค. ์ฝœ๋ผ๊ฒ ๋ฐ JGB ์ฒจ๊ฐ€์ œ์˜ ๊ฒฝ์šฐ์—๋„ ๋‹ค๋ฅธ ์ฒจ๊ฐ€์ œ์™€ ๊ฐ™์ด ์ผ์ • ์ด์ƒ์˜ ์ฒจ๊ฐ€๋Ÿ‰์ด ์ฒจ๊ฐ€๋˜๋ฉด ๊ฒฐ์ •๋“ค์ด ์‘์ง‘๋˜๊ณ  ๊ฒฐ์ •์œ„์— ๊ฒฐ์ •์ด ์„ฑ์žฅํ•˜์—ฌ ๋ณ„๋ชจ์–‘์˜ ๊ฒฐ์ •์ด ํ‘œ๋ฉด์— ์กด์žฌํ•˜์˜€๋‹ค.

3. ์ฒจ๊ฐ€์ œ๋ฅผ ๊ฐœ๋ณ„์ ์œผ๋กœ ์ฒจ๊ฐ€ํ•œ ๊ฒฝ์šฐ ํ‘œ๋ฉด์— ๊ท ์ผํ•œ ํ•ต์ƒ์„ฑ ๋ฐ ๊ฒฐ์ •์„ฑ์žฅ์—๋Š” ์–ด๋ ค์›€์ด ์žˆ๊ธฐ์— ๋ณตํ•ฉ์ ์ธ ์ฒจ๊ฐ€์ œ ์ฒจ๊ฐ€๊ฐ€ ํ•„์š”ํ•˜๋ฉฐ, ๋ฌด์ฒจ๊ฐ€ ์กฐ๊ฑด๋Œ€๋น„ 4๊ฐ€์ง€ ์ฒจ๊ฐ€์ œ๋ฅผ ๋ชจ๋‘ ์ฒจ๊ฐ€ํ•œ ์กฐ๊ฑด์—์„œ ์ดˆ๊ธฐ ํ•ต์ƒ์„ฑ ๋ฐ ์„ฑ์žฅ๋‹จ๊ณ„์—์„œ ํ‘œ๋ฉด์— ๊ท ์ผํ•˜๊ฒŒ ๊ฒฐ์ •์ด ๋ถ„ํฌ๋˜์—ˆ๊ณ , 12 ฮผm ๋‘๊ป˜์˜ ๋„๊ธˆ์ธต์—์„œ๋„ ํ‰ํ™œํ•œ ํ‘œ๋ฉด์„ ์–ป์„ ์ˆ˜ ์žˆ์—ˆ๋‹ค.

4. ์ฝœ๋ผ๊ฒ์„ ์ฒจ๊ฐ€ํ•œ ๊ฒฝ์šฐ์—๋Š” ์ „์ฒด์ ์œผ๋กœ ๊ฒฐ์ •๋ฆฝ ํฌ๊ธฐ๋ฅผ ์ฆ๊ฐ€์‹œํ‚ค๋Š” ํšจ๊ณผ๊ฐ€ ์žˆ์—ˆ์œผ๋ฉฐ, JGB๋ฅผ ์ฒจ๊ฐ€ํ•œ ๊ฒฝ์šฐ์—๋Š” ๊ฒฐ์ •๋ฆฝ์„ ๊ฐ์†Œ์‹œํ‚ค๋Š” ํšจ๊ณผ๊ฐ€ ์žˆ์—ˆ๋‹ค. ์ด๋Ÿฌํ•œ ๊ฒฐ์ •๋ฆฝ์˜ ํฌ๊ธฐ๋ณ€ํ™”๋Š” ๊ธฐ๊ณ„์  ์„ฑ์งˆ์— ์˜ํ–ฅ์„ ์ฃผ์—ˆ๋‹ค. ๊ฒฐ์ •๋ฆฝ์˜ ํฌ๊ธฐ๊ฐ€ ์ฆ๊ฐ€ํ•œ ๊ฒฝ์šฐ ์ธ์žฅ๊ฐ•๋„๋Š” ๊ฐ์†Œํ•˜์˜€์œผ๋‚˜ ์—ฐ์‹ ์œจ ์ฆ๊ฐ€ ์š”์ธ์ด ๋˜์—ˆ์œผ๋ฉฐ, ๋ฐ˜๋Œ€๋กœ ๊ฒฐ์ •๋ฆฝ์˜ ํฌ๊ธฐ๊ฐ€ ๊ฐ์†Œํ•œ ๊ฒฝ์šฐ์—๋Š” ์ธ์žฅ๊ฐ•๋„๋Š” ์ฆ๊ฐ€ํ•˜์˜€์œผ๋‚˜, ์—ฐ์‹ ์œจ์ด ๊ฐ์†Œํ•˜์˜€๋‹ค.

๋ณธ ์—ฐ๊ตฌ๋ฅผ ํ†ตํ•˜์—ฌ ๊ฐœ๋ณ„์ฒจ๊ฐ€์ œ์˜ ์ฒจ๊ฐ€๋Ÿ‰์— ๋”ฐ๋ฅธ ์ดˆ๊ธฐ์ „์••์„ ํ™•์ธ ํ•  ์ˆ˜ ์žˆ์—ˆ์œผ๋ฉฐ, ๊ฐœ๋ณ„ ์ฒจ๊ฐ€์ œ๋ฅผ ํ†ตํ•˜์—ฌ ํ‰ํ™œํ•œ ๋„๊ธˆ์ธต์„ ํ˜•์„ฑํ•˜๊ธฐ์—๋Š” ์–ด๋ ค์›€์ด ์žˆ์Œ์„ ํ™•์ธ ํ•  ์ˆ˜ ์žˆ์—ˆ๋‹ค. ๋˜ํ•œ ์ฒจ๊ฐ€์ œ์— ๋”ฐ๋ผ ๊ฒฐ์ •๋ฆฝ ํฌ๊ธฐ๋ฅผ ์ œ์–ดํ•  ์ˆ˜ ์žˆ์œผ๋ฉฐ, ์ ์ ˆํ•œ ๋น„์œจ์„ ์ ์šฉํ•˜์—ฌ ์›ํ•˜๋Š” ๋ฌผ์„ฑ์„ ์ œ์–ด ํ•  ์ˆ˜ ์žˆ์Œ์„ ํ™•์ธ ํ•  ์ˆ˜ ์žˆ์—ˆ๋‹ค.

REFERENCES

1 
Jung H. C., Kim G. H., Hong H. S., Kim D. W., J. Kor. Powder Metall. Inst,17, 175 (2010)Google Search
2 
Min B. S., Chung W. S., Kim I. G., J. Kor. Inst. Met. & Mater,40, 1281 (2002)Google Search
3 
Lee S. H., Park N. J., J. Kor. Inst. Met. & Mater,45, 377 (2007)Google Search
4 
Kim M. H., Cha H. R., Choi C. S., Kim J. M., Lee D. Y., Korean. J. Met. Mater,48, 884 (2010)Google Search
5 
Woo T. G., Korean. J. Met. Mater,54, 681 (2016)Google Search
6 
Woo T. G., Park I. S., Korean. J. Met. Mater,58, 41 (2020)Google Search
7 
Hu C. C., Wu C. M., Surf. Coat. Tech,176, 75 (2003)Google Search
8 
Ikemiya N., Miyaoko S., Hara S., Surf. Sci,327, 261 (1995)Google Search
9 
Woo T. G., Park I. S., Jung K. H., Son K. S., Song R., H.Lee M., Hwang Y. K., Seol K. W., Korean J. Met. Mater,50, 237 (2012)Google Search
10 
Lee M. H., Park E. K., Woo T. G., Park I. S., Yoon Y. M., Seol K. W., J. Kor. Inst. Met. & Mater,46, 747 (2008)Google Search
11 
Park C. M., Lee U. H., Lee H. J., Korean. J. Met. Mater,54, 469 (2016)Google Search
12 
Brande P. V., Winand R., Surf. Coat. Technol,52, 1 (1992)Google Search
13 
Zhou Z., Oโ€™Keefe T. J., J. Appl. Electroch,28, 461 (1998)Google Search
14 
Sartorelli M. L., Schervenski A. Q., Delatorre R. G., Klauss P., Phys. Stat. Sol,187, 91 (2001)Google Search
15 
Yang J. J., Huang Y. L., Xu K. W., Surf. Coat. Technol,201, 5574 (2007)Google Search
16 
Vasโ€™ko V. A., Tabakovic I., Riemer S. C., Kief M. T., Micro. Engn,75, 71 (2004)Google Search
17 
Dutra A. J. B., O'keefe T. J., J. Appl. Electrochem,29, 1217 (1999)Google Search
18 
Lee Y. K., O'keefe T. J., JOM,54, 40 (2002)Google Search
19 
Stantke P., JOM,54, 19 (2002)Google Search
20 
Kim M. H., Cha H. R., Choi C. S., Kim H. S., Lee D. Y., Korean J. Met. Mater,48, 757 (2010)Google Search
21 
Park D. J., Park, Master Thesis (in Korean),24Pusan National University (2017)Google Search
22 
Kim H. C., Kim J. J., Kor. Chem. Eng. Res,54, 723 (2016)Google Search
23 
Yanson Y. I., Rost M. J., Angew. Chem. Int. Ed,52, 2454 (2013)Google Search
24 
Nagy Z., Blaudeau J., Hung N., Curtiss L., Zurawski D., J. Electrochem. Soc,142, L87 (1995)Google Search
25 
Dow W. P., Huang H. S., Yen M. Y., Chen H. H., J. Electrochem. Soc,152, C77 (2005)Google Search
26 
Kim H. C., Kim M. J., Choe S., Lim T., Park K. J., Kim K. H., Ahn S. H., Kim S. K., Kim J. J., J. Electrochem. Soc,161, D749 (2014)Google Search
27 
Kang I. S., Koo Y. S., Lee J. H., J. Microelectron. Packag. Soc,19, 67 (2012)Google Search
28 
Huang Q., Avekians A., Ahmed S., Parks C., Baker-Oโ€™Neal B., Kitayaporn S., Sahin A., Sun Y., Cheng T., J. Electrochem. Soc,161, D388 (2014)Google Search
29 
Kelly J., Nogami T., van der Straten O., Demarest J., Li J., Penny C., Vo T., Parks C., Dehaven P., Hu C. K., Liniger E., J. Electrochem. Soc,159, D563 (2012)Google Search
30 
Jin S. H., Lee D. R., Lee W. Y., Le S. Y., Lee M. H., Met. Mater. Int,21, 775 (2015)Google Search

Figures and Tables

Fig. 1.

Potential performance of the electrolyte at Cl- ion additive with different concentrations.

../../Resources/kim/KJMM.2021.59/kjmm-2021-59-5-304f1.jpg
Fig. 2.

SEM images of titanium surface tilted by 30 ยฐ. Coppers were plated for 0.2 seconds at the addition of various Cl- ion concentrations.

../../Resources/kim/KJMM.2021.59/kjmm-2021-59-5-304f2.jpg
Fig. 3.

SEM images of copper plating tilted by 30 ยฐ. Coppers were plated for 0.2 seconds at the addition of 0 ppm (left) and 10 ppm Cl- ion (right).

../../Resources/kim/KJMM.2021.59/kjmm-2021-59-5-304f3.jpg
Fig. 4.

Potential performance of the electrolyte at MPSA additive with different concentrations.

../../Resources/kim/KJMM.2021.59/kjmm-2021-59-5-304f4.jpg
Fig. 5.

SEM images of titanium surface tilted by 30 ยฐ. Coppers were plated for 0.2 seconds at the addition of various MPSA concentrations.

../../Resources/kim/KJMM.2021.59/kjmm-2021-59-5-304f5.jpg
Fig. 6.

Potential performance of the electrolyte at Collagen additive with different concentrations.

../../Resources/kim/KJMM.2021.59/kjmm-2021-59-5-304f6.jpg
Fig. 7.

SEM images of titanium surface tilted by 30 ยฐ. Coppers were plated for 0.2 seconds at the addition of various collagen concentrations.

../../Resources/kim/KJMM.2021.59/kjmm-2021-59-5-304f7.jpg
Fig. 8.

Potential performance of the electrolyte at JGB additive with different concentrations.

../../Resources/kim/KJMM.2021.59/kjmm-2021-59-5-304f8.jpg
Fig. 9.

SEM images of titanium surface tilted by 30 ยฐ. Coppers were plated for 0.2 seconds at the addition of various JGB concentrations.

../../Resources/kim/KJMM.2021.59/kjmm-2021-59-5-304f9.jpg
Fig. 10.

SEM images of titanium surface tilted by 30 ยฐ. Coppers were plated for 0.2 seconds at the addition of various additives concentrations.

../../Resources/kim/KJMM.2021.59/kjmm-2021-59-5-304f10.jpg
Fig. 11.

SEM images of copper foil tilted by 30 ยฐ. Copper foils were plated for 12 ยตm at the addition of various additives concentrations.

../../Resources/kim/KJMM.2021.59/kjmm-2021-59-5-304f11.jpg
Fig. 12.

Crystallite size evolution of electroplated copper layer with additives concentrations in the solutions.

../../Resources/kim/KJMM.2021.59/kjmm-2021-59-5-304f12.jpg
Fig. 13.

Tensile strength(left) and elongation(right) of electroplated copper layer with additives concentrations in the solutions.

../../Resources/kim/KJMM.2021.59/kjmm-2021-59-5-304f13.jpg
Fig. 14.

Fractographs of electroplated copper layer with additives concentrations in the solutions.

../../Resources/kim/KJMM.2021.59/kjmm-2021-59-5-304f14.jpg
Table 1.

Chemical ingredients in the electroplating baths.

Chemical Reagent Composition
Copper (Cu) 0.79 M
Sulfuric acid (H2SO4) 1.00 M
Accelerator (MPSA) 0 ~ 60 ppm
Hydrochloric acid (HCl) 0 ~ 60 ppm
Inhibiter (Collagen) 0 ~ 60 ppm
Leveler (JGB, Janus Green B) 0 ~ 60 ppm
Table 2.

Additives conditions and potential of copper plated for 0.2 seconds.

Cl (ppm) MPSA (ppm) Collagen (ppm) JGB (ppm) Potential (V)
(a) 0 0 0 0 ../../Resources/kim/KJMM.2021.59/kjmm-2021-59-5-304i1.jpg
(b) 40 40 0 0
(c) 40 40 20 0
(d) 40 40 30 0
(e) 40 40 20 10
(f) 40 40 30 10