The Journal of
the Korean Journal of Metals and Materials

The Journal of
the Korean Journal of Metals and Materials

Monthly
  • pISSN : 1738-8228
  • eISSN : 2288-8241

Editorial Office





Thermal barrier coating (TBC), Thermal conductivity, Bilayer coating, Thermal cycling durability

1. INTRODUCTION

Turbines generate energy from combustion gases generated in a combustion chamber. The key components of gas turbines include compressors, combustors, and turbines. To develop high-efficiency gas turbines, researchers have focused on increasing the turbine inlet temperature (TIT), and recent trends require materials capable of stable operation in extreme environments exceeding 1100 °C. For example, in such extreme thermal environments, nickel-based superalloys are commonly used for turbine components. To protect these high-temperature components, thermal barrier coating (TBC) technology is essential [1-5].

TBCs can be classified according to the function of each layer. A typical TBC system consists of a nickel-based superalloy substrate, a bond coat that enhances the oxidation resistance and the adhesion between the substrate and the top coat, and a ceramic top coat with low thermal conductivity and high chemical stability [1,2,4,6]. Yttria-stabilized zirconia (YSZ), widely used as a material for ceramic top coats, is characterized by a high melting point, low thermal conductivity, excellent thermal shock resistance, and a high thermal expansion coefficient, and accordingly is suitable TBC applications.

YSZ is generally deposited onto nickel-based gas turbine component surfaces using two key methods: atmospheric plasma spraying (APS) and electron beam physical vapor deposition (EB-PVD). In APS, spherical ceramic materials are sprayed using a high-temperature plasma flame under atmospheric conditions. TBC coating layers fabricated using APS tend to exhibit lamellar structures with low thermal conductivities. In contrast, TBC layers deposited via EB-PVD exhibit columnar microstructures with higher thermal conductivities than APS-deposited coatings; however, EB-PVD coatings exhibit superior mechanical properties, such as good strain tolerance [3]. When exposed to high-temperature environments (>1200 °C) for extended periods, the YSZ present in these coatings undergoes a phase transformation that reduces the thermal cycling durability. This issue arises from the phase transformation characteristics of zirconia at different temperatures. For example, zirconia exists in the monoclinic phase at room temperature, transforms into the tetragonal phase at ~1173 °C, and undergoes a transformation into the cubic phase at ~2370 °C. The phase transformation between the monoclinic and tetragonal phases induces a 3–5% volume change owing to crystal structure modification. This change generates stress on the coating layer during gasturbine operation and subsequent cooling cycles, potentially causing cracking and delamination [7-11]. To address the issues raised by the phase transformation, extensive research has been conducted to stabilize the zirconia phases by incorporating various rare earth elements. On the basis of these studies, YSZ containing 6–8 wt% yttria has been commercialized for use as a TBC material. Notably, 6–8 wt% YSZ exhibits optimal coating durability through the formation of a non-transformable tetragonal (t') phase, which does not transform into a monoclinic phase even under applied stress or upon cooling to room temperature [12,13]. The t' phase forms when the YSZ powder momentarily melts during the APS coating process and undergoes rapid quenching upon deposition on the substrate [13,14]. However, when the t' phase is exposed to high-temperature environments (i.e., >1200 °C) for extended periods, the tetragonal phase transforms into monoclinic and cubic phases due to the diffusion of yttria [10,11].

To mitigate the detrimental tetragonal-to-monoclinic phase transformation of YSZ under extremely high-temperature operating conditions, various investigations to incorporate different rare earth elements into zirconia beyond conventional yttria doping as well as substitute zirconia-based systems with alternative structures, such as perovskite-type compounds or complex zirconates, are currently underway. As part of these efforts, our group designed various compositions by co-doping YSZ with Sc2O3, Gd2O3, Dy2O3, and TiO2. We specifically selected elements with atomic masses and ionic radii that differ significantly from those of yttrium and zirconium to systematically investigate their influence on the phase stability [7,9,14-28]. Using the designed compositions, thermal conductivity and phase stability analyses were performed and the results confirmed that co-doping led to lower thermal conductivity and superior inhibition of monoclinic phase formation compared to YSZ alone [8].

Building on these previous works, the current study was performed to investigate the performance of TBC materials fabricated using the previously developed multi-oxide-doped YSZ compositions containing Sc2O3, Gd2O3, Dy2O3, and TiO2. Before evaluating these novel compositions, bilayer TBC structures consisting of highly durable conventional YSZ as a base layer combined with gadolinium-ytterbium-co-doped YSZ (GdYb-YSZ) as the top layer were characterized. Additionally, the thermal conductivities of these structures were compared with that of a standard YSZ coating. Furthermore, the influence of the coating-layer thickness ratio on the thermal conductivity and thermal cycling durability of the coating was evaluated. Based on the obtained results, bilayer-structured coating specimens with the optimal thickness ratio were prepared using the developed compositions containing Sc2O3, Gd2O3, Dy2O3, and TiO2 (designated as ScGdTi and ScDyTi) and their coating properties were analyzed. Through an evaluation of the properties of the optimal bilayer-structured TBC, a TBC coating design methodology to enhance both the thermal conductivity and the thermal cycling durability compared to that of a conventional single-layer YSZ coating is proposed.

2. EXPERIMENTAL

The coating specimens were fabricated using commercial YSZ (8YSZ), GdYb-YSZ, and rare-earth-doped YSZ compositions (ScGdTi and ScDyTi) with the addition of Sc2O3, Gd2O3, Dy2O3, and TiO2, and the respective thermal conductivity and thermal cycling durability of the resulting bilayer TBC materials were evaluated. More specifically, the changes in the thermal conductivity and thermal cycling durability were comparatively analyzed for various coating thickness ratios, and the structural characteristics and phase transformation behaviors of the TBC layers were examined. The powder compositions of the coatings are listed in Table 1. Commercial YSZ (8YSZ) and GdYb-YSZ were obtained from Oerlikon Metco (Switzerland), whereas the rare-earth-doped YSZ compositions (ScGdTi and ScDyTi) were synthesized by HanKyung TEC (Republic of Korea).

While YSZ maintains its tetragonal phase and exhibits excellent thermal cycling durability, GdYb-YSZ is characterized by reduced thermal conductivity due to additional rare earth element doping. ScGdTi and ScDyTi meanwhile are known to exhibit lower thermal conductivities and superior phase stabilities than the conventional YSZ [8]. The properties of bilayer-structured TBCs fabricated using these materials were investigated. Commercial YSZ and GdYb-YSZ powders were used to determine the optimal bilayer thickness ratio (see Table 2) to maximize the thermal conductivity and durability of the bilayer-structured TBC. The bilayer-coated structures were fabricated by combining a bottom layer (YSZ) and a top layer (GdYb-YSZ), where the GdYb-YSZ layer was designed to withstand direct exposure to a high-temperature environment. Additionally, ScGdTiand ScDyTi-based bilayer coatings were fabricated at a thickness ratio of 3:1, which was determined to be the optimal ratio for maximizing the coating performance. The coating properties of these bilayers were comparatively analyzed against those of a single-layer YSZ coating.

TBC specimens were deposited using APS (KK-90, AMT AG, Switzerland) according to the coating process parameters summarized in Table 3. YSZ and GdYb-YSZ were deposited on Ni-based superalloy substrates (CM939, 25.4 mm diameter), where MCrAlY (Amdry 9951, Oerlikon Metco, Switzerland) was applied as a bond coat (250 μm thickness) using a vacuum plasma spraying process. Following application of the bond coat, the top coating layer was deposited, resulting in a thickness of ~550–600 μm. The obtained specimens were used to evaluate the thermal cycling durability of the coating. Additionally, free-standing coating specimens for the thermal conductivity analysis were prepared by APS deposition of the coating layers (1000 μm thickness) on aluminum substrates without a bond coat, followed by mechanical separation of the coating layer.

A cross-sectional analysis of the fabricated coating specimens was performed using scanning electron microscopy (SEM, JSM-6390, JEOL, Japan) to confirm the deposition thickness and characterize the morphological features of the coating microstructure. X-ray diffraction (XRD, RINT-2500HF, Rigaku, Japan) was performed on the prepared coating specimens to investigate their monoclinic- and cubic-phase formation behaviors. To identify the formation of a monoclinic phase, the analysis was conducted in the 2θ range of 10–80° with parameters of 40 kV and 100 mA, along with a scan rate of 5°/min. To analyze the tetragonal and cubic phase formation behaviors of the materials, scanning was performed in the 2θ range of 72–76° at a scan rate of 0.2°/min with parameters of 40 kV and 100 mA.

To analyze the thermal conductivities of the TBC samples, free-standing samples machined to a diameter of 12.7 mm and a thickness of 1 mm were used for the high-temperature thermal conductivity measurements. These measurements were performed using laser flash analysis (LFA; LFA 467 HT, NETZCH, Germany) at intervals of 100 °C in the temperature range of 500–800 °C. Five measurements were conducted at each temperature and the thermal diffusivity and specific heat were obtained for each temperature and sample. The thermal conductivity of the coating layer (λ) was calculated using Equation (1), where α is the thermal diffusivity, Cp is the specific heat, and ρ is the density:

(1)
λ = ρ × C _ p × α

The densities of the specimens employed for the thermal conductivity measurements were subsequently determined for the free-standing TBC coating specimens using the Archimedes method.

To analyze the thermal cycling durability of the coating specimens, the JETS (Jet Engine Thermal Shock) test was employed. The test procedure involved exposing the top coat surface to a high-temperature and high-pressure flame at 1400 °C for 20 s, followed by rapid cooling with N2 for 20 s to induce thermal stress. A cross-sectional analysis of the coating layer was conducted after the JETS test to evaluate the occurrence of delamination and crack formation. The failure criterion was set at 20% delamination of the total surface area. The coating lifetime was expressed as a relative comparison between the single-layer and bilayer-structured specimens, with the cycle at which delamination occurred in the YSZ single-layer specimen serving as the reference standard. After various bilayer-structured TBC coating specimens were prepared using the APS process, their optimal thickness ratios and performances were analyzed through thermal conductivity and thermal cycling durability evaluations.

3. RESULTS AND DISCUSSION

3.1 Analysis of the TBC Bilayer Structure Using Commercial Materials

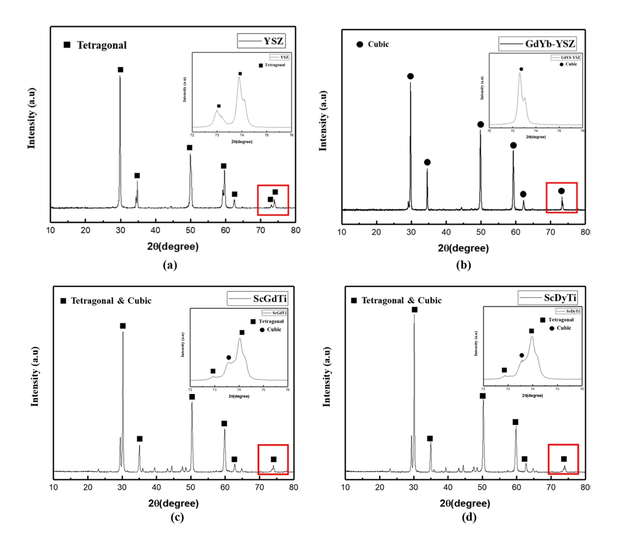
A comparative analysis of the thermal conductivity and thermal cycling durability of the single-layer and bilayer structures (i.e., YSZ and GdYb-YSZ) was conducted. XRD analysis was conducted to investigate the phase formation behaviors of the YSZ and GdYb-YSZ coating specimens deposited via the APS process, with the results presented in Figure 1.

The XRD results of the YSZ coating presented in Figure 1(a) reveal that only the tetragonal phase—identified as the t' phase—was formed. Additionally, the XRD results for the GdYb-YSZ coating shown in Figure 1(b) confirm the formation of a cubic phase without any tetragonal phase. This phase transformation behavior was attributed to an increase in lattice distortion and oxygen vacancies resulting from the increased concentration of trivalent rare earth elements added to the zirconia, which promoted transformation from the tetragonal to the cubic phase of zirconia [29,30]. Furthermore, the compositions containing additional rare earth elements, such as in the case of GdYb-YSZ, exhibited lower thermal conductivities and reduced monoclinic phase formation behaviors than conventional YSZ [20]. This phase transformation behavior and lower thermal conductivity characteristics stem from the increased lattice distortion and oxygen vacancy formation caused by the increased concentrations of rare earth elements. Generally, as the yttria content increases and YSZ transitions to the cubic phase, both the thermal conductivity and mechanical strength tend to decrease. Consequently, when GdYb-YSZ is fabricated as a single-layer coating, the thermal conductivity is enhanced, while the thermal cycling durability of the coating is expected to weaken. However, when fabricated as a bilayer coating, obtaining both low thermal conductivity and low thermal cycling durability is possible.

Furthermore, the compositions containing additional rare earth elements, such as in the case of GdYb-YSZ, exhibited lower thermal conductivities and reduced monoclinic phase formation behaviors relative to the conventional YSZ [20]. The phase transformation behavior and lower thermal conductivity characteristics stem from increased lattice distortion and oxygen vacancy formation caused by the increased concentrations of rare earth elements. Generally, as the yttria content increases and YSZ transitions to the cubic phase, both the thermal conductivity and mechanical strength tend to decrease. Consequently, when GdYb-YSZ is fabricated as a single-layer coating, the thermal conductivity is enhanced whereas the thermal cycling durability of the coating is expected to weaken. However, when fabricated as a bilayer coating, both low thermal conductivity and low thermal cycling durability can be obtained.

The XRD results for the ScGdTi and ScDyTi coating specimens, presented in Figures 1(c) and 1(d), respectively, confirm that the monoclinic phase is not formed. Notably, the XRD analysis conducted in the 72–76° range revealed a mixed tetragonal–cubic phase structure, possibly resulting from partial transformation of the tetragonal phase to the cubic phase upon adding Sc2O3, Gd2O3, Dy2O3, and TiO2, which led to lower thermal conductivity and superior phase stability through lattice distortion. Considering the superior mechanical properties of the tetragonal phase compared to those of the cubic phase, the coexisting tetragonal and cubic phases were expected to contribute to superior thermal cycling durability for the coating layer. Furthermore, increasing the content of Sc2O3, Gd2O3, Dy2O3, and TiO2 would further reduce the thermal conductivity and increase the high-temperature phase stability of the coating layer compared to YSZ due to complete transformation of the zirconia phase to the cubic phase, as in the case of GdYb-YSZ; however, this process would likely negatively impact the mechanical properties of the coating.

A thermal conductivity analysis was thus performed using the GdYb-YSZ bilayer-coated specimens and the effect of the bilayer thickness was analyzed. For these analyses, the coating specimens were processed as free-standing samples with thicknesses of ~1 mm, wherein the coating layer was separately delaminated, as described previously. To analyze the thermal conductivity behaviors of the coating specimens upon exposure to high-temperature environments, each specimen was heated from 500 to 800 °C and their thermal conductivities were measured, as presented in Figure 2.

The obtained results revealed that the single-layer YSZ coating specimen exhibited a high-temperature thermal conductivity of ~1.0–1.1 W/(m·K), while the single-layer GdYb-YSZ coating specimen demonstrated a value of ~0.8–0.9 W/(m·K). This difference was attributed to the high contents of Gd2O3, Yb2O3, and Y2O3 incorporated into the zirconia, which induced lattice distortion, generated oxygen vacancies, and reduced the thermal conductivity of the material [20]. Upon applying YSZ and GdYb-YSZ coatings with various thickness ratios, thermal conductivity measurements were conducted once again to evaluate the effect of the thickness ratio. The specimen with a GdYb-YSZ/YSZ thickness ratio of 1:3 exhibited the lowest thermal conductivity, whereas the specimen with a GdYb-YSZ/YSZ thickness ratio of 1:1 exhibited the highest thermal conductivity. Notably, the 1:3 thickness ratio led to a low thermal conductivity of ~0.7–0.8 W/(m·K), confirming that the bilayer structure leads to lower thermal conductivity than that achieved using single-layer coatings.

Subsequently, to evaluate the thermal cycling durability of the TBC coating layers prepared using different GdYb-YSZ/YSZ thickness layers, the JETS test was conducted using one-inch coupon specimens with a top coat thickness of ~550–600 μm and a bond coat layer thickness of ~250 μm.

As presented in Figure 3, the results of the cross-sectional analysis performed after the JETS test revealed that delamination occurred at the interface between the bond and top coats in most specimens. However, in the specimen with a GdYb-YSZ/YSZ thickness ratio of 3:1, delamination was not observed at the interface between YSZ and the bond coat but rather at the interface between GdYb-YSZ and YSZ. This delamination behavior appears to be attributable to the deposition of cubic phase GdYb-YSZ, along with increased residual stress in the coating layer as the thickness increased. The residual stress in a deposited coating layer increases with increasing coating thickness [31]. Thus, in specimens bearing thicker GdYb-YSZ coating layers, a combination of relatively higher residual stress and reduced mechanical properties compared to those of YSZ likely resulted in delamination at the interface owing to their inability to withstand the stress generated during the JETS test. However, further research is required to understand this phenomenon.

The results of the thermal cycling durability evaluations performed for the TBC coating specimens using the JETS test are presented in Figure 4, wherein the relative durability of each coating specimen is compared to that of the YSZ single-layer coating specimen as the reference standard. The JETS test of the GdYb-YSZ single-layer coating specimen revealed a relative lifetime of ~29.28% compared to that of YSZ, indicating reduced thermal cycling durability. In contrast, the specimen with a GdYb-YSZ/YSZ thickness ratio of 1:1 demonstrated an average relative lifetime of ~97.92%, which confirms its thermal cycling durability is comparable to that of YSZ. Notably, the specimen with a GdYb-YSZ/YSZ thickness ratio of 1:3 exhibited a relative lifetime of ~103.12%, whereas that with a GdYb-YSZ/YSZ thickness ratio of 3:1 displayed a relative lifetime of ~107.28%. These results indicate that, although the singlelayer GdYb-YSZ with a high rare earth element content exhibited reduced thermal conductivity, its mechanical properties deteriorated owing to the transformation of the zirconia phase from the mechanically superior tetragonal phase to the cubic phase. Additionally, the resistance to stress arising from the thermal expansion coefficient mismatch between GdYb-YSZ (9-10 × 10−6 K−1) and the bond coat layer (15.0 × 10−6 K−1) [32] appeared to decrease compared to that of YSZ, resulting in a significantly shorter coating layer lifetime compared to the single-layer YSZ.

These results demonstrate that fabricating a bilayer TBC using a combination of GdYb-YSZ and YSZ leads to both reduced thermal conductivity and a longer coating layer lifetime. Based on the thermal conductivity and JETS test results, these properties were optimized using a GdYb-YSZ/YSZ thickness ratio of 3:1.

3.2 Analysis of the TBC Bilayer Structure Incorporating Doped Rare Earth Materials

Based on the thermal conductivity and thermal cycling durability evaluation results of the GdYb-YSZ and YSZ coating specimens described above, bilayer structures were fabricated using the developed compositions (ScGdTi and ScDyTi) at an optimal 3:1 thickness ratio. The thermal conductivity and thermal cycling durability of the resulting coatings were then compared with those of the single-layer YSZ.

Initially, the high-temperature thermal conductivity values of the developed single layer and bilayer compositions were evaluated and compared with those of YSZ. These measurements were performed in the 500–800 °C range and the results are shown in Figure 5. In the case of the YSZ single-layer coating specimen, a thermal conductivity of ~1.1 W/(m·K) was obtained. Additionally, the ScGdTi single-layer coating specimen demonstrated thermal conductivity values in the range of 0.83–0.92 W/(m·K), while the ScDyTi composition gave corresponding values of 0.78–0.85 W/(m·K). Notably, both compositions exhibited lower thermal conductivities than YSZ. This indicates that enhanced low thermal conductivity can be achieved through lattice distortion by incorporating trivalent and tetravalent oxides into YSZ.

Following the same methodology used for the GdYb-YSZ and YSZ bilayer-structured specimens, ScGdTi and ScDyTi compositions were fabricated as bilayer-structured TBC coatings with a 3:1 thickness ratio. A high-temperature thermal conductivity analysis of these bilayer-coated specimens revealed that the ScGdTi bilayer-coated specimen exhibited thermal conductivity values of 0.82–0.9 W/(m·K) while the ScDyTi bilayer-coated specimen demonstrated thermal conductivity values in the range of 0.89–1.1 W/(m·K). These results indicate a lower thermal conductivity compared to the single-layer YSZ coating specimen and follow a similar trend to that observed for the previous GdYb-YSZ bilayer specimens. Hence, fabricating bilayer TBCs using materials with low thermal conductivity leads to lower thermal conductivity than that exhibited by YSZ.

Subsequently, to evaluate the thermal cycling durability of the bilayer-structured TBCs, JETS test evaluations were performed on the ScGdTi and ScDyTi coating specimens. Additionally, JETS tests were performed to evaluate the thermal cycling durability of the single-layer TBC specimens, as shown in Figure 6. Compared to YSZ, the ScDyTi and ScGdTi coating samples exhibited thermal cycling durability of 49.3% and 39.5%, respectively. A cross-sectional analysis was conducted to examine the coating failure behaviors; as shown in Figure 7, failure occurred not within the top coat but in the form of delamination at the interface between the bond coat and the top coat.

This is consistent with the previously observed behavior of the GdYb-YSZ single layer and suggests that the thermal cycling durability weakened compared to that of the YSZ single layer. The decreased thermal cycling durability is attributed to the structure changing from a purely tetragonal phase to a mixed tetragonal and cubic phase structure with additional incorporation of rare earth elements into YSZ.

To enhance the thermal cycling durability of the single-layer coatings, bilayer-coated specimens were fabricated using a 3:1 thickness ratio.

As shown in Figure 8, the thermal cycling durability obtained for the various coatings confirmed that the bilayer-structured coating specimens had superior durability compared to that of YSZ. Among these, the ScDyTi and ScGdTi bilayer-coated specimens exhibited three and two times higher thermal cycling durability than YSZ, respectively. A cross-sectional analysis also was conducted to investigate the failure behaviors of these bilayer-coated specimens and the results are presented in Figure 9. It was observed that delamination occurred at the interface between YSZ and the bond coat, which was located between the developed composition and the bond coat. These results differ from those of previously reported GdYb-YSZ bilayer-coated specimens. The primary factor responsible for delamination at the top coat appears to be the transformation of the zirconia phase from a purely tetragonal structure to a mixture of cubic and tetragonal phases. This transformation is attributed to the addition of trivalent and tetravalent oxides to YSZ, which lowers thermal conductivity and enhances high-temperature phase stability through lattice distortion, as described earlier. In other words, by using materials where tetragonal and cubic phases coexist (c.f., a purely cubic phase) it is possible to achieve a level of thermal cycling durability that protects the coating against the thermal stresses generated in high-temperature combustion environments. Further research, however, is required to understand this phenomenon.

4. CONCLUSION

This study analyzed the thermomechanical properties of our previously developed compositions containing Sc2O3, Gd2O3, Dy2O3, and TiO2 (designated as ScGdTi and ScDyTi) for application as thermal barrier coatings (TBCs). For this purpose, coating fabrication was performed using the atmospheric plasma spraying technique and the thermal conductivity and thermal cycling durability of the resulting coating layers were subsequently evaluated. Additionally, bilayer structures were prepared using yttria-stabilized zirconia (YSZ) as the bottom layer and Gd2O3-doped YSZ (GdYb-YSZ) as the top layer with various thickness ratios. The effects of the thickness ratio on the thermal conductivity and thermal cycling durability were evaluated. Although the GdYb-YSZ single-layer specimen exhibited lower thermal conductivity than YSZ, it also displayed reduced thermal cycling durability. However, the GdYb-YSZ bilayer specimens demonstrated lower thermal conductivity and similar or higher thermal cycling durability than those exhibited by YSZ. Notably, using an optimal GdYb-YSZ/YSZ thickness ratio of 3:1 minimized the thermal conductivity and maximized the thermal cycling durability of the coating. Based on these results, the developed compositions (i.e., ScGdTi and ScDyTi) were used to prepare coatings with thickness ratios of 3:1, and their thermal conductivity and thermal cycling durability were analyzed. The bilayer specimens exhibited lower thermal conductivity and superior thermal cycling durability than YSZ. Overall, the results obtained from incorporating the developed compositions into bilayer coating structures highlights their significant potential for use as TBC materials in gas turbines.

Notes

[1] ACKNOWLEDGEMENTS

This work was supported by the Industrial Strategic Technology Development Program of the Ministry of Trade, Industry, and Energy (MOTIE [grant number 20009895].

REFERENCES

1 
Vagge S.T., Ghogare S., Mater. Today Proc,56, 1201 (2022)Google Search
2 
Clarke D.R., Oechsner M., adture N.P. P, MRS Bull,37, 891 (2012)Google Search
3 
Wei Z.Y., Meng G.H., Chen L., Li G.R., Liu M.J., Zhang W.X., Zhao L.N., Zhang Q., Zhang X.D., Wan C.L., Qu Z.X., Chen L., Feng J., Liu L., Dong H., Bao Z. Bin, Zhao X.F., Zhang X.F., Guo L., Wang L., Cheng B., Zhang W.W., Xu P.Y., Yang G.J., Cai H.N., Cui H., Wang Y ., Ye F.X., Ma Z., Pan W., Liu M., Zhou K.S., Li C.J., J. Adv. Ceram,11, 985 (2022)Google Search
4 
Padture N.P., Gell M., Jordan E.H., Science,296, 280 (2002)Google Search
5 
Jung S.-H., Lu Z., Jung Y.-G., Song D., Paik U., Choi B.-G., Kim I.-S., Guo X., Zhang J., Surf. Coat. Technol,323, 39 (2017)Google Search
6 
Lashmi P.G., Ananthapadmanabhan P. V., Unnikrishnan G., Aruna S.T., J. Eur. Ceram. Soc,40, 2731 (2020)Google Search
7 
Gong J., Gao P., Han G., Ma Q., Zhong L., Wang X., Yang B., Ceram. Int,49, 37991 (2023)Google Search
8 
Jeon H., Lee I., Oh Y., Ceram. Int,48, 8177 (2022)Google Search
9 
Zhen Z., Wang X., Shen Z., Mu R., He L., Xu Z., Ceram. Int,48, 2585 (2022)Google Search
10 
Ren X., Pan W., Acta Mater,69, 397 (2014)Google Search
11 
Witz G., Shklover V., Steurer W., Bachegowda S., Bossmann H.P., J. Am. Ceram. Soc,90, 2935 (2007)Google Search
12 
Tsipas S.A., J. Eur. Ceram. Soc,30, 61 (2010)Google Search
13 
Dudnik E. V., Lakiza S.N., Hrechanyuk I.N., Ruban A.K., Redko V.P., Marek I.O., Shmibelsky V.B., Makudera A.A., Hrechanyuk N.I., Powder Metall. Met. Ceram,59, 179 (2020)Google Search
14 
Bahamirian M., Hadavi S.M.M., Farvizi M., Rahimipour M.R., Keyvani A., Ceram. Int,45, 7344 (2019)Google Search
15 
Zhang D., Yu Y., Feng X., Tian Z., Song R., Ceram. Int,48, 1349 (2022)Google Search
16 
Lee E.Y., Sohn Y., Jha S.K., Holmes J.W., Sisson R.D., J. Am. Ceram. Soc,85, 2065 (2002)Google Search
17 
Chen D., Wang Q., Liu Y., Ning X., Surf. Coat. Technol,403, 126387 (2020)Google Search
18 
Kibsey M., Romualdez J., Huang X., Kearsey R., Yang Q., J. Eng. Gas Turbine Power,133, 122101 (2011)Google Search
19 
Colomer M.T., Guglieri C., Díaz-Moreno S., Maczka M., Boada R., Chaboy J., J. Alloys Compd,689, 512 (2016)Google Search
20 
Guo L., Li M., Ye F., Ceram. Int,42, 7360 (2016)Google Search
21 
Zhao M., Ren X., Pan W., J. Am. Ceram. Soc,97, 1566 (2014)Google Search
22 
Liu H.L., Pang S., Liu C.Q., Wu Y.T., Zhang G.J., J. Am. Ceram. Soc,105, 6437 (2022)Google Search
23 
Wei X., Hou G., An Y., Yang P., Zhao X., Zhou H., Chen J., Ceram. Int,47, 6875 (2021)Google Search
24 
Dong T., Kong L., Fu B., Li J., Li G., Ceram. Int,48, 36450 (2022)Google Search
25 
Cong L., Li W., Wang J., Gu S., zhang S., J. Mater. Sci. Technol,101, 199 (2022)Google Search
26 
Noveed E., Liaqat A., Akhlaq A., Muhammad M., Muhammad M.A., Abdul R., Khalid M., Key Eng. Mater,778, 236 (2018)Google Search
27 
Zhao M., Pan W., Acta Mater,61, 5496 (2013)Google Search
28 
Jiang K., Liu S., Wang X., J. Eur. Ceram. Soc,38, 3986 (2018)Google Search
29 
Vasanthavel S., Kannan S., J. Phys. Chem. Solids,112, 100 (2018)Google Search
30 
Matsumoto M., Aoyama K., Matsubara H., Takayama K., Banno T., Kagiya Y., Sugita Y., Surf. Coat. Technol,194, 31 (2005)Google Search
31 
Abedi H.R., Salehi M., Shafyei A., Surf. Coat. Technol,337, 104 (2018)Google Search
32 
Lyu Guanlin, Choi Baig-Gyu, Lu Zhe, Park Hyeon-Myeong, Jung Yeon-Gil, Zhang Jing, Surf. Coat. Technol,364, 187 (2019)Google Search

Figures and Tables

Fig. 1.

XRD Results of APS Coating (a) : YSZ (b) : GdYb-YSZ (c) : ScGdTi (d) : ScDyTi

../../Resources/kim/KJMM.2025.63/kjmm-2025-63-10-853f1.jpg
Fig. 2.

Thermal Conductivity of Bi-Layer Coating Sample

../../Resources/kim/KJMM.2025.63/kjmm-2025-63-10-853f2.jpg
Fig. 3.

Cross-Sectional Analysis of Coating Specimens After JETS test

../../Resources/kim/KJMM.2025.63/kjmm-2025-63-10-853f3.jpg
Fig. 4.

JETS Test Results of Bi-Layer Coating Sample

../../Resources/kim/KJMM.2025.63/kjmm-2025-63-10-853f4.jpg
Fig. 5.

Thermal Conductivity of Modified YSZ Bi-Layer Coating Sample

../../Resources/kim/KJMM.2025.63/kjmm-2025-63-10-853f5.jpg
Fig. 6.

JETS Test Results of Modified-YSZ Mono-Layer Coating Sample

../../Resources/kim/KJMM.2025.63/kjmm-2025-63-10-853f6.jpg
Fig. 7.

Cross-Sectional Analysis of Mono-Layer Structure Coating Specimens After JETS test (a) ScDyTi (b) ScGdTi

../../Resources/kim/KJMM.2025.63/kjmm-2025-63-10-853f7.jpg
Fig. 8.

JETS Test Results of Modified-YSZ Bi-Layer Coating Sample

../../Resources/kim/KJMM.2025.63/kjmm-2025-63-10-853f8.jpg
Fig. 9.

Cross-Sectional Analysis of Bi-Layer Structure Coating Specimens After JETS test (a) ScDyTi (b) ScGdTi

../../Resources/kim/KJMM.2025.63/kjmm-2025-63-10-853f9.jpg
Table 1.

Composition of Rare-Earth Doped Modified YSZ

Mol %. ZrO2 Y2O3 Gd2O3 Yb2O3 Sc2O3 Dy2O3 TiO2
YSZ Bal. 4.5
GdYb-YSZ Bal. 5.8 2 2
ScGdTi Bal. 4.5 1 1 1
ScDyTi Bal. 4.5 1 1 1
Table 2.

Coating Thickness Ratio of Bi-Layer Coating Sample

Coating Thickness (§-) 8wt% YSZ GdYb-YSZ ScGdTi ScDyTi
YSZ 600
GdYb-YSZ 600
GdYb-YSZ (1) : YSZ (3) 450 150
GdYb-YSZ (1) : YSZ (1) 300 300
GdYb-YSZ (3) : YSZ (1) 150 450
ScGdTi (3) : YSZ (1) 150 450
ScDyTi (3) : YSZ (1) 150 450
Table 3.

APS Coating Parameters of YSZ and GdYb-YSZ

Parameter YSZ GdYb-YSZ
Argon (SCFH) 80 80
Hydrogen (SCFH) 7.5 5
Voltage (V) 88 84
Current (A) 650 600
Working Distance (mm) 200 175
Feed Rate (g/min) 100 80
Robot Speed (mm/sec) 500 700